Для студентов МГТУ им. Н.Э.Баумана по предмету Основы конструирования приборов (ОКП)Следящий привод возратно-поступательного движения: Чертеж общего видаСледящий привод возратно-поступательного движения: Чертеж общего вида
4,915685
2023-12-292023-12-29СтудИзба
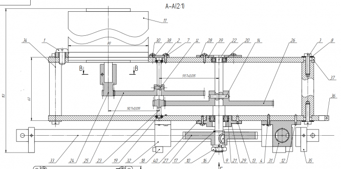
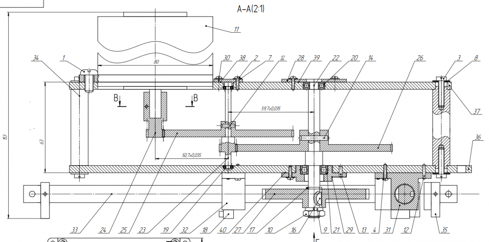
ДЗ 3: Следящий привод возратно-поступательного движения: Чертеж общего вида вариант 15
Описание
При покупке Вы можете получить подарок 20 руб.
Зачтено на максимальный балл!!!
Идеальное качество файлов, документов 💥 💥 💥
Не только копировать, а нужно понимать!
Характеристики домашнего задания
Учебное заведение
Номер задания
Вариант
Программы
Просмотров
10
Качество
Идеальное компьютерное
Размер
3,47 Mb
Список файлов
Дмитриев_Чертеж_общего_вида_Итог_с_исправлениями.pdf
Дмитриев_ТСЧ(1).pdf
Дмитриев_итоговые расчёты.pdf

Ваше удовлетворение является нашим приоритетом. Вставьте 5 звезд и позитивные комментарии сразу дам Вам подарок. Благодарю за использование моей службы!!