Для студентов МГТУ им. Н.Э.Баумана по предмету Основы конструирования приборов (ОКП)Исполнительный привод -Чертеж общего видаИсполнительный привод -Чертеж общего вида
4,915685
2023-12-262023-12-26СтудИзба
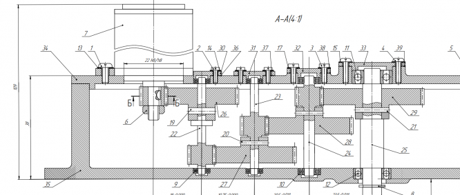
ДЗ 3: Исполнительный привод -Чертеж общего вида вариант 16
Описание
При покупке Вы можете получить подарок 20 руб.
Зачтено на максимальный балл!!!
Идеальное качество файлов, документов 💥 💥 💥
Не только копировать, а нужно понимать!
Характеристики домашнего задания
Учебное заведение
Номер задания
Вариант
Программы
Просмотров
12
Качество
Идеальное компьютерное
Размер
55,18 Mb
Список файлов
испр_чертеж_общего_вида.pdf
ТСЧ (1).pdf
29.11.2023 Точность (1).pdf

Ваше удовлетворение является нашим приоритетом. Вставьте 5 звезд и позитивные комментарии сразу дам Вам подарок. Благодарю за использование моей службы!!