Для студентов УрГУПС по предмету Основы компьютерного проектирования и методы расчёта электронных схем (ОКП и МРЭС)РАСЧЕТНО-ГРАФИЧЕСКАЯ РАБОТАРАСЧЕТНО-ГРАФИЧЕСКАЯ РАБОТА
5,00536
2021-10-072025-10-01СтудИзба
Курсовая работа: РАСЧЕТНО-ГРАФИЧЕСКАЯ РАБОТА
Описание
Исходные данные:

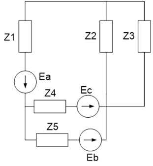
Рисунок 1.1 – Исходная схема
Таблица 1.1 – Исходные данные для задачи №1
Номер варианта | Z1 | Z2 | Z3 | Z4 | Z5 | Ea | Eb | Ec |
5 | 9.1-9.1*I | 8.1+5.1*I | 0.1+8.1*I | 6.1-4.1*I | 8.1-2.1*I | 83.1+21.1*I | 66.1+41.1*I | 74.1+50.1*I |
Характеристики курсовой работы
Учебное заведение
Семестр
Просмотров
2
Размер
1,3 Mb
Список файлов
kasimov_rgr_paranin.docx
Дмитрий Петрович
Комментарии
Нет комментариев
Стань первым, кто что-нибудь напишет!
УрГУПС
westsoft23
















