Для студентов МГТУ им. Н.Э.Баумана по предмету Общая технология литейного производстваРазработка технологии изготовления отливки "Основание"Разработка технологии изготовления отливки "Основание"
5,0053
2021-04-142021-04-14СтудИзба
Курсовая работа: Разработка технологии изготовления отливки "Основание"
Бестселлер
Описание
Цель работы – выбрать подходящий материал для отливки, способ изготовления, формовочную и стержневую смеси, рассчитать литниковую систему.
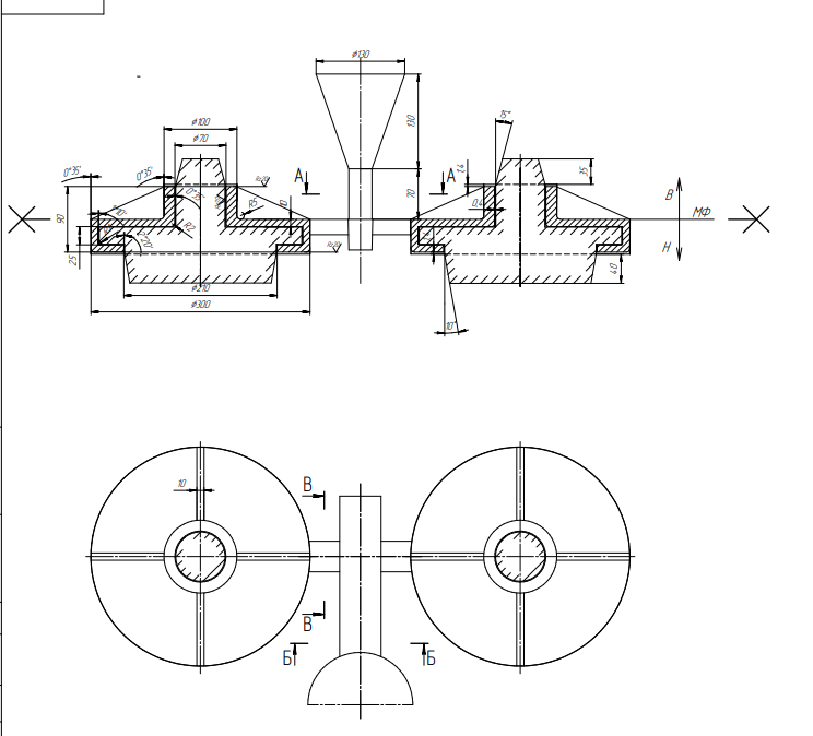
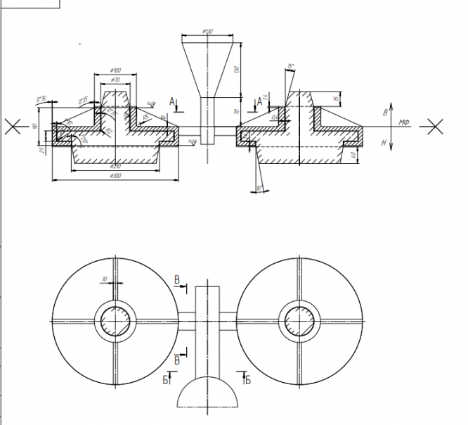
Введение
В работе производится проектирование технологии изготовления отливки. Заливаемый металл указан в техническом задании. Исходным документом для работы является техническое задание. Разработка технологии изготовления отливки является решением поставленных в данном задании условий. Пути решения выбирались с учетом различных факторов: экономическая выгода, конструктивность решения и т.д. При проектировании были разработаны: сборочный чертеж отливки, анализ способов изготовления и расположения отливки, расчет литниковой системы.
![]()
Введение
В работе производится проектирование технологии изготовления отливки. Заливаемый металл указан в техническом задании. Исходным документом для работы является техническое задание. Разработка технологии изготовления отливки является решением поставленных в данном задании условий. Пути решения выбирались с учетом различных факторов: экономическая выгода, конструктивность решения и т.д. При проектировании были разработаны: сборочный чертеж отливки, анализ способов изготовления и расположения отливки, расчет литниковой системы.






Характеристики курсовой работы
Учебное заведение
Семестр
Просмотров
44
Размер
857,59 Kb
Список файлов
Разработка технологии изготовления отливки Основание
Лист 1.pdf
Лист 2.pdf
Лист 3.pdf
РПЗ.pdf

Друзья, спасибо за доверие! Если вам понравилась работа – поставьте 5⭐ и напишите отзыв. Это поможет другим студентам, а мне даст силы делать ещё больше качественных материалов для вас 🔥