ДЗ: Вариант 35. Расчет теплогидравлической схемы ЯЭУ.
Описание
Изначальное условие было излишним и противоречивым, после дискуссии с преподавателем условие Tпв=590 К принято за излишнее и расчет ввелся по Pда.
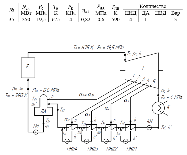
Расчету подлежит упрощенная тепловая схема одноконтурной ЯЭУ с паротурбинным циклом. Установка включает в себя ядерный реактор – генератор пара (Р), паровую турбину (Т), с промежуточными отборами, конденсатор (К), подогреватели низкого давления (ПНД), деаэратор (ДА), насосы. Промежуточный перегрев или сепарация отсутствуют.
Заданы: электрическая мощность Nэл, давление P0 и температура T0 пара на входе в турбину, давление на выхлопе из турбины Pк, относительный внутренний к.п.д. турбины , температура питательной воды Tпв, давление в деаэраторе Pда, наличие и число ПНД и ПВД, схема включения дренажей ПНД.
В результате расчета требуется найти температуру рабочей среды на входе и выходе из элементов оборудования контура, параметры и величину расхода пара в отборах на регенеративный подогрев, расход пара на турбину, абсолютный КПД брутто установки.
Дано:

МГТУ им. Н.Э.Баумана
Anarchist


















