Для студентов МГТУ им. Н.Э.Баумана по предмету Объёмные гидромашиныАксиально поршневой насос с наклонным дискомАксиально поршневой насос с наклонным диском
5,00541
2023-09-092023-09-09СтудИзба
Курсовая работа: Аксиально поршневой насос с наклонным диском
Описание
Характеристики курсовой работы
Предмет
Учебное заведение
Семестр
Программы
Теги
Просмотров
76
Качество
Идеальное компьютерное
Размер
2,65 Mb
Список файлов
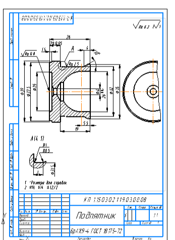
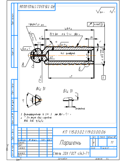
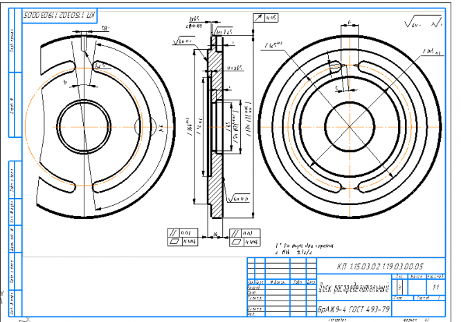
Конструирование и расчет аксиально-поршневого насоса с торцевым распределением
Аксиально-поршневой насос.cdw
Аксиально-поршневой насос.cdw.bak
Вал.cdw
Вал.cdw.bak
Диск распределительный.cdw
Диск распределительный.cdw.bak
Подпятник.cdw
Подпятник.cdw.bak
Поршень.cdw
Поршень.cdw.bak
Расчет.docx

Спасибо за покупку! Я буду очень рад, если поставишь справедливую оценку купленному файлу
Комментарии

Отзыв
Сдал на 5