Для студентов МГТУ им. Н.Э.Баумана по предмету Объёмные гидромашиныАксиально-поршневой насос с наклонным блоком с шестеренным ведениемАксиально-поршневой насос с наклонным блоком с шестеренным ведением
4,9851106
2023-07-102023-07-10СтудИзба
Аксиально-поршневой насос с наклонным блоком с шестеренным ведением
Курсовая работа: Аксиально-поршневой насос с наклонным блоком с шестеренным ведением
Описание
Сборочный чертеж + Общий вид + РПЗ + спецификация + Расчеты в маткаде
Показать/скрыть дополнительное описание

Показать/скрыть дополнительное описание
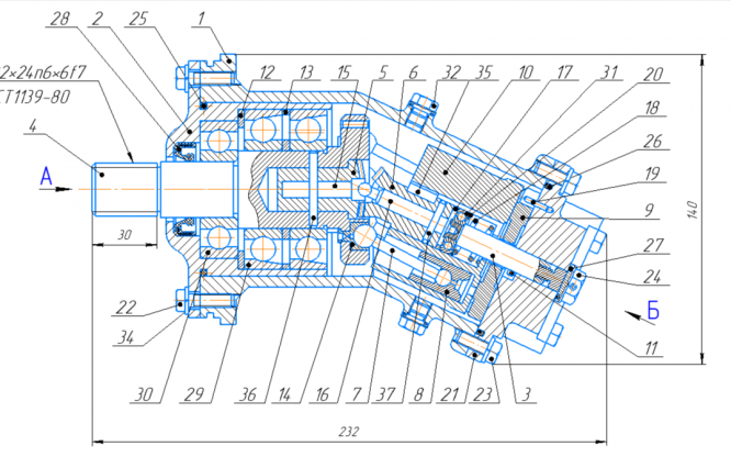
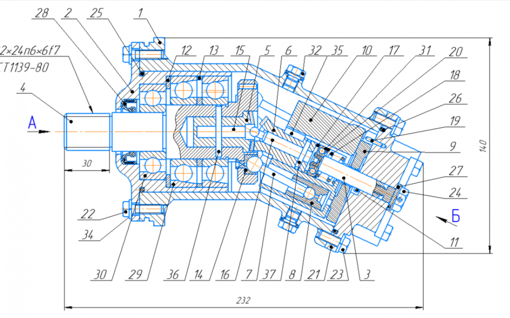
Аксиально-поршневой насос с наклонным блоком с шестеренным ведением.
Характеристики курсовой работы
Предмет
Учебное заведение
Семестр
Программы
Теги
Просмотров
31
Качество
Идеальное компьютерное
Размер
2,29 Mb
Список файлов
Мой КР ОГМ
Записка
2.1 Расчет блока цилиндров.doc
2.2 Расчет распределителя.doc
2.3 Расчет валов.doc
2.3 Расчет конической передачи.doc
2.4 Расчет валов.doc
2.4 Расчет подшипников.doc
2.5 Расчет подшипников.doc
Введение и принцип.doc
Задание.doc
Заключение.doc
СПИСОК ИСПОЛЬЗУЕМЫХ ОБОЗНАЧЕНИЙ.doc
Содержание.doc
Список используемой литературы1.doc
Чертежи
Насос V1.0.cdw
Насос V1.0.cdw.bak
Насосv 1.1.cdw
Рис 2.frw
Спецификация насоса v1.0.cdw
Фрагмент.frw
блок.m3d
рис 3.frw
рис. 4.frw
Расчет блока.xmcd
расч ОГМ3.xmcd

Спасибо за покупку! Я буду очень рад, если поставишь справедливую оценку купленному файлу