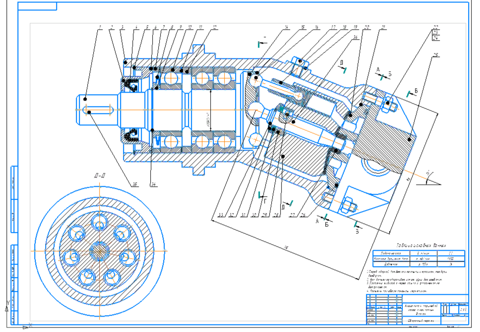
Для студентов МГТУ им. Н.Э.Баумана по предмету Объёмные гидромашиныАксиально-поршневой насос с наклонным блокомАксиально-поршневой насос с наклонным блоком
5,0053
2024-04-012024-04-01СтудИзба
Курсовая работа: Аксиально-поршневой насос с наклонным блоком
Бестселлер
Описание
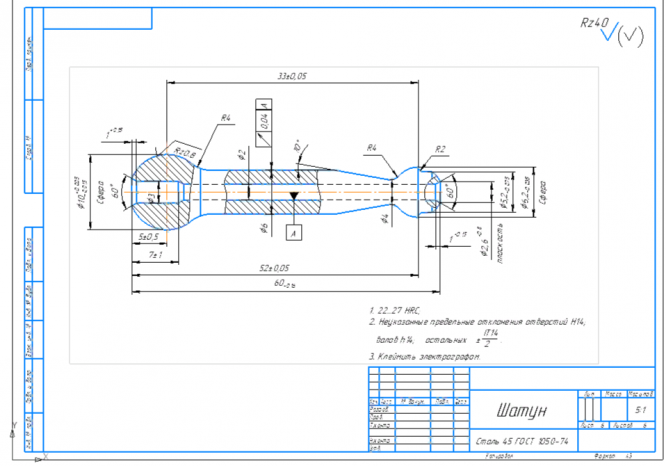
В состав входят 6 листов в Компас 3D, РПЗ и спецификация
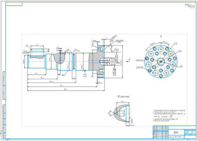
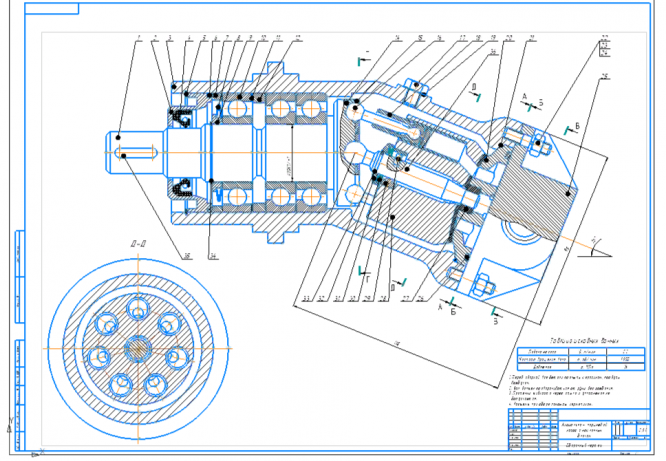
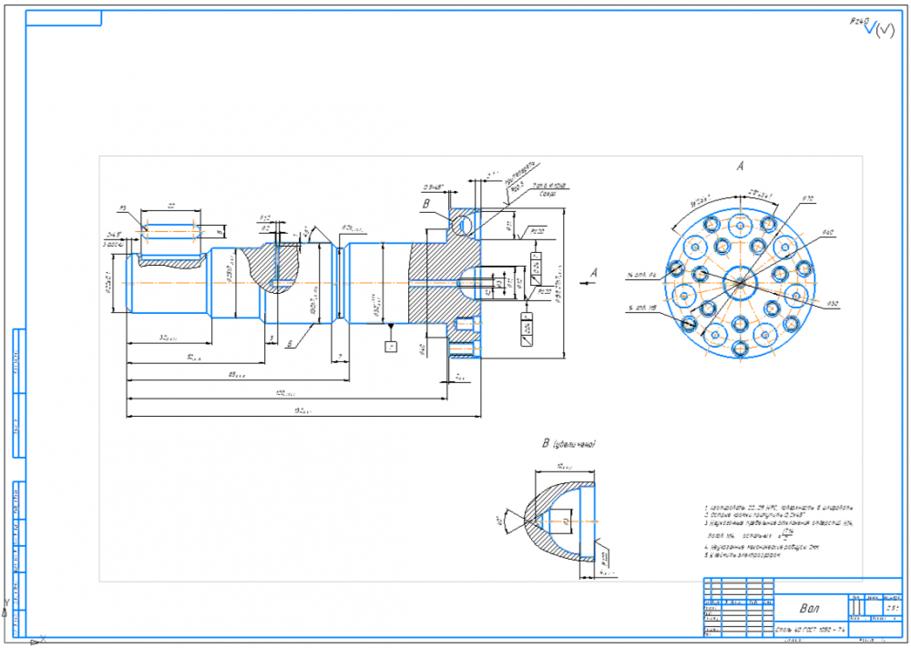
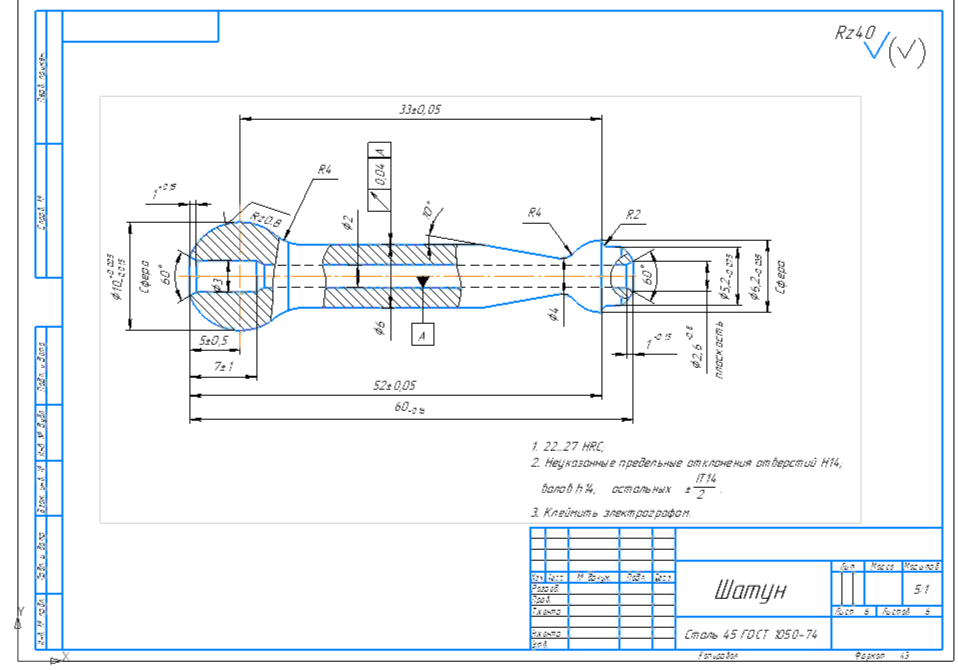
Исходные данные:
Подача 22 л/мин
Частота вращения 1500 об/мин
Температура жидкости 50 С
Номинальное давление 16 МПа
Жидкость масло ВМГЗ
Исходные данные:
Подача 22 л/мин
Частота вращения 1500 об/мин
Температура жидкости 50 С
Номинальное давление 16 МПа
Жидкость масло ВМГЗ







Характеристики курсовой работы
Предмет
Учебное заведение
Семестр
Программы
Теги
Просмотров
56
Размер
837,34 Kb
Список файлов
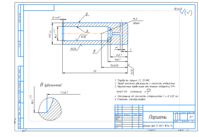
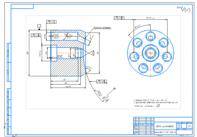
Блок Цилиндров.cdw
Вал.cdw
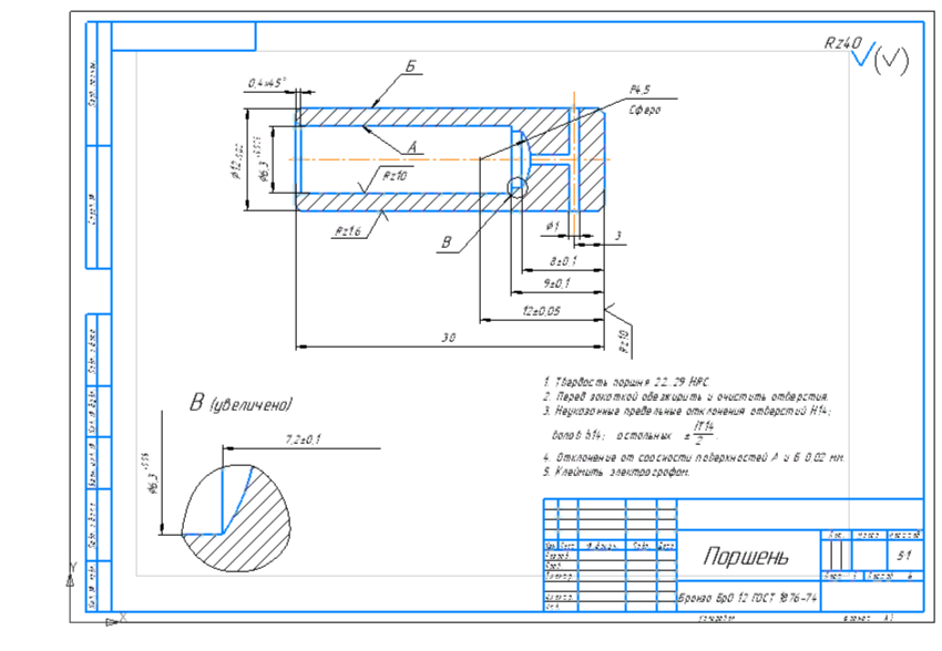
Поршень.cdw
РПЗ.doc
Разрезы и Виды.cdw
Сборочный чертеж.cdw
Спецификация.spw
Шатун.cdw

Спасибо за покупку! Я буду очень рад, если поставишь справедливую оценку купленному файлу