Для студентов МГТУ им. Н.Э.Баумана по предмету Низковакуумные насосыПроектирование двухроторного вакуумного насосаПроектирование двухроторного вакуумного насоса
5,0051
2024-08-192025-05-19СтудИзба
Курсовая работа: Проектирование двухроторного вакуумного насоса
-50%
Описание
Содержание: 1)Расчеты в Mathcad 15
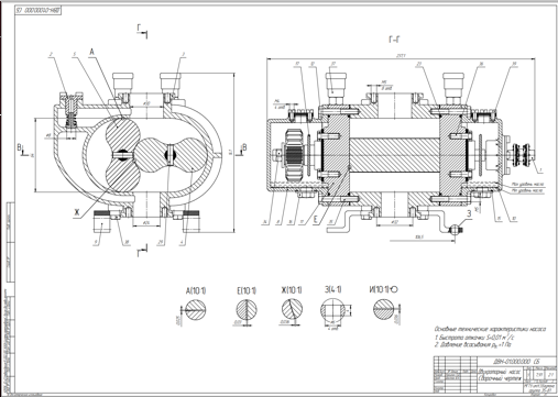
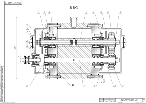
2)Сборка в КОМПАС-3D
3)Чертежи в КОМПАС-3D
4)РПЗ в Microsoft Word
5)Презентация в Microsoft PowerPoint
6)Литература
Характеристики курсовой работы
Предмет
Учебное заведение
Семестр
Теги
Просмотров
26
Качество
Идеальное компьютерное
Размер
73,83 Mb
Список файлов
НВН курсач
Литература
Демихов К.Е. и др. - Вакуумная техника. Справочник.pdf
Модели + Чертежи
Korzina.m3d
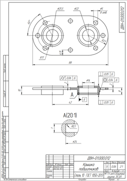
А3-Крышка подшипников _ Курсовой проект.cdw
Ведомое колесо.m3d
Ведомый вал.m3d
Ведущее колесо.m3d
Ведущий вал.m3d
Двигатель.m3d
Кольцо манжеты(двигатель).m3d
Кольцо масляное .m3d
Кольцо.m3d
Корзина.m3d
Корпус.m3d
Крышка корпуса.m3d
Крышка под двигатель.m3d
Крышка под шестерни.m3d
Крышка подшипников _ Курсовой проект.cdw
Крышка подшипников.m3d
Маленькое масленное кольцо.m3d
Маслоразбрызгиватель.m3d
Муфта.a3d
Муфта.stp
Насос.a3d
Насос.a3d.bak
Низ предклапана.m3d
Ножки.m3d
Откачная.cdw
Подсборка крышек.a3d
Если тебе помогла данная работа, поставь оценку ❤️
Комментарии
Нет комментариев
Стань первым, кто что-нибудь напишет!
МГТУ им. Н.Э.Баумана
bomonec


















