Для студентов МГТУ им. Н.Э.Баумана по предмету Начертательная геометрияЗадача 4Задача 4
4,96529744
2013-08-172025-06-01СтудИзба
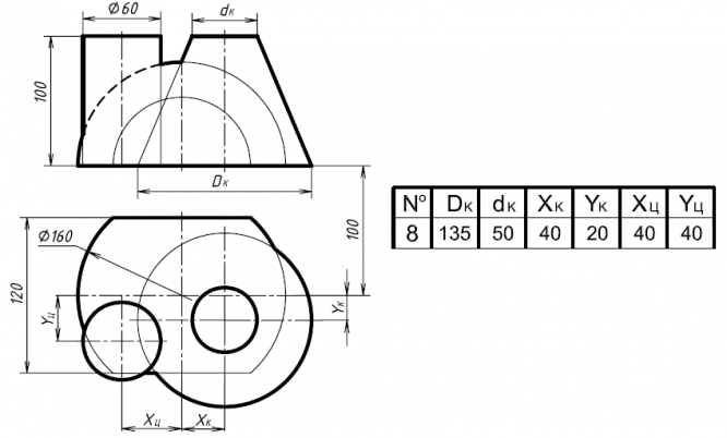
Задача 4 вариант 8
-60%
Описание
Характеристики решённой задачи
Предмет
Учебное заведение
Семестр
Номер задания
Вариант
Просмотров
2638
Качество
Фото рукописных листов
Размер
2,93 Mb
Список файлов
4-(1).JPG
4-(2).JPG
4-(3).JPG

Вам все понравилось? Получите кэшбэк - 40 рублей на Ваш счёт при покупке. Поставьте оценку и напишите положительный комментарий к купленному файлу. После Вы получите деньги на ваш счет.