Для студентов МГТУ им. Н.Э.Баумана по предмету Инженерная графикаДеталь Ж-8 (Эскиз + Деталь 3Д + Чертеж в КОМПАС)Деталь Ж-8 (Эскиз + Деталь 3Д + Чертеж в КОМПАС)
4,9957351
2025-09-292025-09-29СтудИзба
Деталь Ж-8 (Эскиз + Деталь 3Д + Чертеж в КОМПАС)
ДЗ Ж: Деталь Ж-8 (Эскиз + Деталь 3Д + Чертеж в КОМПАС) вариант 8
Новинка
-62%
Описание
В архиве содержатся все нужные файлы для Вас:
Деталь 3D в Inventor (.ipt) 🎉
Чертеж А3 в КОМПАС 3Д (.сdw) 📌
Чертеж А3 (.pdf) - для печати 🖨
Эскиз на клеточный лист ✍
ДЕМО
![]()
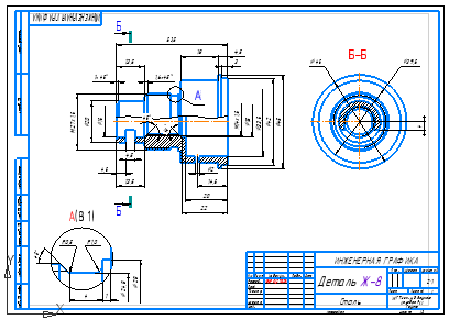
Показать/скрыть дополнительное описаниеДеталь Ж-8.
Файлы условия, демо
Характеристики домашнего задания
Предмет
Учебное заведение
Семестр
Номер задания
Вариант
Программы
Теги
Просмотров
0
Качество
Идеальное компьютерное
Размер
2,8 Mb
Список файлов
01.jpg
1.jpg
02.jpg
03.jpg
04.jpg
Деталь Ж-8.cdw
Деталь Ж-8.ipt
Деталь Ж-8.pdf
Эскиз Ж-8 (для справок).jpg
00.jpg

Если работа Вам была полезна, Пожалуйста, потратьте несколько секунд, чтобы оставить нам 5 ЗВЁЗД и положительный отзывы. Мы Вам глубоко признателены!