Ответы к контрольной работе 1: КСР 1 - вариант 1.13 вариант 13
Описание



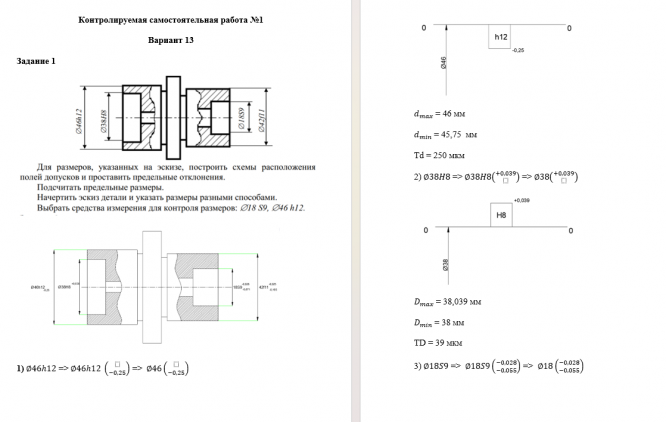
Для размеров, указанных на эскизе, построить схемы расположения
полей допусков и проставить предельные отклонения.
Подсчитать предельные размеры.
Начертить эскиз детали и указать размеры разными способами.
Выбрать средства измерения для контроля размеров: 18 S9, 46 h12.
Задание 2.
Начертить схемы расположения полей допусков посадок:
1) 30 H6/r5; 2) 22 E8/h6; 3) 36 H7/n6;
4) 52 T7/h6; 5) 28 H7/c8; 6) 42 K8/h7.
Подсчитать характеристики посадок (предельные и средние зазоры
(натяги) и допуски посадок).
Задание 3.
Дать пример обозначения предпочтительной посадки с натягом в
системе вала.
Построить схемы расположения полей допусков и подсчитать
характеристики посадки.
Показать, как изменятся характеристики посадки при изменении
допусков соединяемых деталей на один квалитет.
Задание 4.
Для соединения зубчатого колеса с валом выбрать
посадку с натягом по расчетным значениям предельных
натягов:
Nmax расч = 75 мкм; Nmin расч = 25 мкм.
Номинальный размер d = 30 мм
Показать/скрыть дополнительное описание
Задание 1. Для размеров, указанных на эскизе, построить схемы расположения полей допусков и проставить предельные отклонения. Подсчитать предельные размеры. Начертить эскиз детали и указать размеры разными способами. Выбрать средства измерения для контроля размеров: 18 S9, 46 h12. Задание 2. Начертить схемы расположения полей допусков посадок: 1) 30 H6/r5 ; 2) 22 E8/h6 ; 3) 36 H7/n6 ; 4) 52 T7/h6 ; 5) 28 H7/c8 ; 6) 42 K8/h7 . Подсчитать характеристики посадок (предельные и средние зазоры (натяги) и допуски посадок). Задание 3. Дать пример обозначения предпочтительной посадки с натягом в системе вала. Построить схемы расположения полей допусков и подсчитать характеристики посадки.
Показать, как изменятся характеристики посадки при изменении допусков соединяемых деталей на один квалитет. Задание 4. Для соединения зубчатого колеса с валом выбрать посадку с натягом по расчетным значениям предельных натягов: N max расч = 75 мкм; N min расч = 25 мкм. Номинальный размер d = 30 мм .
Характеристики ответов (шпаргалок) к КР
Список файлов
