Курсовая работа: Широкоуниверсальный фрезерный станок
Описание
Содержаните.
Техническое задание…………………………………………………………………………….3
Аннотация………………………………………………………………………………………..4
Введение………………………………………………………………………………………….5
- Фрагментальный бизнес план……………………………………………………………….6
- Патентно-лицензионный обзор……………………………………………………………..8
- Технологическая часть……………………………………………………………………..16
Системный анализ и выбор прототипа станка……………………………………………16
Определение класса точности станка……………………………………………………..17
Расчёт режимов резания……………………………………………………………………19
Выбор марки двигателя…………………………………………………………………….20
Выбор фрезы для обработки заданной поверхности……………………………………..21
Структурная схема ТП……………………………………………………………………..22
- Конструкторская часть……………………………………………………………………..24
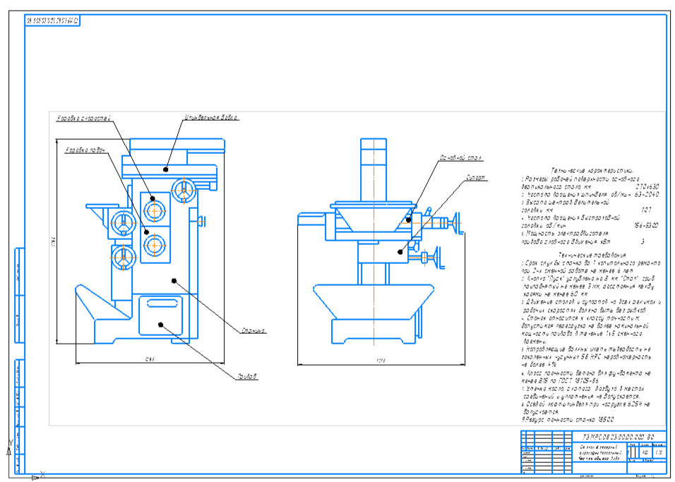
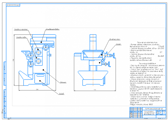
4.1. Компоновка конструктивной проработки и описания станка…………………………..24
4.2. Кинематический расчёт……………………………………………………………………24
4.3. Анализ и расчёт механизма главного движения…………………………………………25
4.4. Выбор подшипников………………………………………………………………………26
4. 5. Формирование посадок и определение допусков на размер…………………………...27
4. 6. Определение эксцентриситета……………………………………………………………28
4.7. Расчёт времени безотказной работы станка……………………………………………...28
4.8 Техника безопасности……………………………………………………………………...29
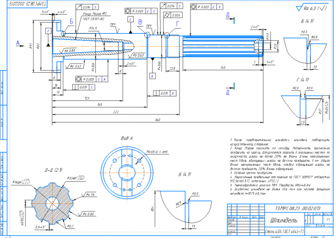
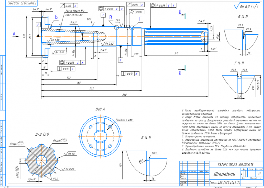
4.9. Описание сборочного чертежа фрезерной головки……………………………………...29
5. Исследовательская часть…………………………………………………………………….31
5.1 исследование технического уровня……………………………………………………….31
5.2 Блок-схема динамического расчёта……………………………………………………….35
5.3. Динамический расчёт. …………………………………………………………………….36
Заключение……………………………………………………………………………………...38
Список используемой литературы…………………………………………………………….39



Характеристики курсовой работы
Список файлов
