Курсовая работа: Токарно-винторезный станок 16Б20А
Описание
Токарно-винторезный станок 16Б20А
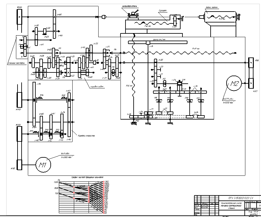
Токарно-винторезный станок 16Б20А: разделенный привод, гидростатические подшипники шпиндельного узла, электромагнитные муфты в коробке скоростей.
проект содержит 4 листа А1 в Компасе 8+:
1. развертка и свертка коробки скоростей 3 А1.
2. деталировка трех деталей коробки А1.
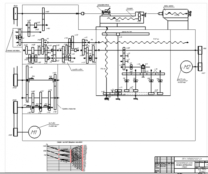
Токарно-винторезный станок 16Б20А: разделенный привод, гидростатические подшипники шпиндельного узла, электромагнитные муфты в коробке скоростей.
проект содержит 4 листа А1 в Компасе 8+:
1. развертка и свертка коробки скоростей 3 А1.
2. деталировка трех деталей коробки А1.
Характеристики курсовой работы
Предмет
Просмотров
24
Размер
1,1 Mb
Список файлов
втулка.cdw
записка готовая2.doc
кин. схема.cdw
колесо.cdw
развертка.cdw
свертка.cdw
спецификация.cdw
спецификация1.cdw
спецификация2.cdw
спецификация3.cdw
спецификация4.cdw
титульник.doc
шпиндель.cdw
Комментарии
Нет комментариев
Стань первым, кто что-нибудь напишет!
























