Для студентов Росдистант по предмету МеханикаИтоговый тест механика. сопротивление материаловИтоговый тест механика. сопротивление материалов
5,0051
2025-10-162025-10-16СтудИзба
Ответы к экзамену: Итоговый тест механика. сопротивление материалов
Описание
Коллекция ответов для итогового теста " Механика. Сопротивление материалов "
Список вопросов
Чему равно касательное напряжение на участке (0–1) для данного вала постоянного поперечного сечения (d = 45 мм)?
![]()

Статически неопределимая система имеет степень статической неопределимости S, равную
![]()

Для центрально сжатого стержня критическая сила равна ... кН.
![]()

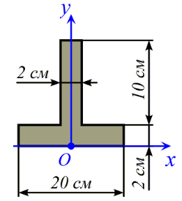
Осевой момент инерции данного сечения указанных размеров относительно оси x равен ... см4.
![]()

Коэффициент приведения длины зависит
Выберите один ответ:
Выберите один ответ:
В заданном стержне опасным является участок №
![]()

Положение нейтральной линии отмечено цифрой
![]()

Для заданного случая нормальное напряжение в опасной точке равно ... МПа.
Выберите один ответ:
Выберите один ответ:Максимальное по абсолютной величине значение внутреннего крутящего момента Mz равно ... кНм. ![]()

Координата y точки центра тяжести данного сечения равна ... см
![]()

Определить прогиб (в см) на конце балки при внезапной поломке колонны, если жесткость консольной балки с = 5 кН/см, а F = 10 кН.
![]()

Для центрально сжатого стержня критическая сила равна ... кН.
Выберите один ответ:
Выберите один ответ:Координата y точки центра тяжести данного сечения равна ... см.
![]()

В заданном случае для бруса, выполненного из пластичного материала, положение опасной точки отмечено цифрой
![]()

Выносливостью материалов называется
Выберите один ответ:
Выберите один ответ:
У цикла под номером 3 коэффициент асимметрии равен
![]()

Расположите статически неопределимые системы в порядке возрастания степени их статической неопределимости.
Для оценки прочности в равноопасных точках (1, 2) стержня из пластичного материала должна быть выбрана
Выберите один ответ:
Выберите один ответ:В каком соотношении находятся динамические напряжения для систем «а » и «б »?
![]()

Сечение С нагруженной балки испытывает
Выберите один ответ:
Выберите один ответ:У какой балки будет наибольший динамический коэффициент при одной и той же скорости падения груза?
Для данного сечения не являются главными оси
Выберите один ответ:
Выберите один ответ:Какая точка наиболее опасна при кручении данного вала? ![]()

Величина G – это
Выберите один ответ:
Выберите один ответ:
Выберите условие прочности в опасной точке (1) для стержня из пластичного материала
![]()

Статически неопределимая система имеет степень статической неопределимости S, равную
![]()

Определить в кН допускаемую силу для центрально сжатого стержня.
![]()

У цикла под номером 1 коэффициент асимметрии равен
![]()

Статически неопределимая система имеет степень статической неопределимости S, равную
![]()

Каким образом определяется коэффициент Пуассона?
Каким свойством обладают оси симметрии сечения?
Выберите один ответ:
Выберите один ответ:
Цикл изменения напряжения, представленный на рисунке под номером 2, называется
Выберите один ответ:
Выберите один ответ:
Сечение С нагруженной балки испытывает
Выберите один или несколько ответов:
Выберите один или несколько ответов:Выражение σmax ≤ [σ]– это условие
Выберите условие прочности в опасной точке (1) для стержня из хрупкого материала.
![]()

На каких участках на эпюре Мх для данной балки будут параболы?
![]()

Если динамическое напряжение при падении груза с некоторой высоты Н на балку увеличится в четыре раза, то динамический коэффициент при ударе
Выберите один ответ:
Выберите один ответ:
Характеристика цикла напряжений, отмеченная на рисунке цифрой 2, называется ... напряжением.
![]()

Определить допускаемую силу для центрально сжатого стержня.
Выберите один ответ:![]()
Выберите один ответ:

Δlmax≤[Δl] – это условие
Модуль упругости второго рода G и модуль упругости первого рода Е связаны соотношением
В каких единицах измеряется напряжение?
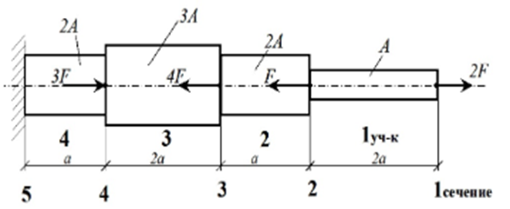
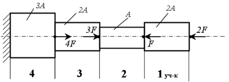
В заданном стержне наибольшее по абсолютной величине нормальное напряжение возникает на ... участке.
![]()

Для заданного случая нормальное напряжение в опасной точке равно ... МПа.
Выберите один ответ:
Выберите один ответ:
В заданном стержне опасным является участок №
![]()

Жесткостью кольцевого сечения вала при кручении является величина, равная
Выберите один ответ:
Выберите один ответ:
У какой балки при одной и той же скорости падения груза будет наименьший динамический коэффициент?
Выберите эпюру поперечных сил Q, соответствующую данной нагруженной балке.
Какова основная причина уменьшения предела выносливости с ростом размеров изделия?
Выберите один ответ:
Выберите один ответ:
Характеристика цикла напряжений, отмеченная на рисунке цифрой 1, называется ... напряжением.
![]()

Величина m – это
Выберите один ответ:
Выберите один ответ:
Какая точка наиболее опасна при кручении данного вала?
![]()

Для центрально сжатого стержня коэффициент приведения длины равен
![]()

Как выглядит выражение для эквивалентного напряжения, определяемого по первой гипотезе прочности?
В формуле σ=Е*ε называется
Выберите один ответ:
Выберите один ответ:
В заданном случае для бруса, выполненного из пластичного материала, положение опасной точки отмечено цифрой
![]()

В заданном случае для бруса, выполненного из пластичного материала, положение опасной точки отмечено цифрой
![]()

Координата у точки центра тяжести данного сечения равна ... см. ![]()

Модуль Юнга характеризует ... материала.
Выберите один ответ:
Выберите один ответ:
Расположите стержни в порядке убывания коэффициента приведения длины.
Расположите статически неопределимые системы в порядке возрастания степени их статической неопределимости.
Осевые моменты инерции площади – это
Способность элемента конструкции выдерживать заданные внешние нагрузки при ограниченных деформациях называется
Выберите один ответ:
Выберите один ответ:
Жесткостью круглого сечения вала при кручении является величина, равная
Как определяется относительный угол закручивания?
Какое сечение является опасным в заданном вале?
![]()

Если эквивалентная система имеет вид, представленный на рисунке, то степень статической неопределимости исходной системы S равна
![]()

В заданном вале опасным является участок под номером
![]()

Характеристика цикла напряжений, отмеченная на рисунке цифрой 4, называется
Выберите один ответ:
Выберите один ответ:В заданном вале опасным является участок под номером
![]()

При внезапном приложении нагрузки динамический коэффициент равен
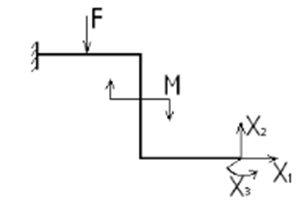
Для данной упругой системы число степеней свободы равно
![]()

Для упругой системы число степеней свободы равно
![]()

Опасным называется сечение (участок) стержня, в котором
Выберите один ответ:
Выберите один ответ:
Величина [Δl] – это
Выберите один ответ:
Выберите один ответ:
Чему равен момент инерции Ix данного сечения?
![]()

Способность элемента конструкции сохранять первоначальную форму упругого равновесия называется
Эти вопросы в других коллекциях
Характеристики ответов (шпаргалок) к экзамену
Комментарии
Нет комментариев
Стань первым, кто что-нибудь напишет!



















