Для студентов по предмету Механика жидкости и газа (МЖГ или Гидравлика)Задача 10-4Задача 10-4
5,00520
2013-09-222013-09-22СтудИзба
Задача 10: Задача 10-4 вариант 4
-51%
Описание
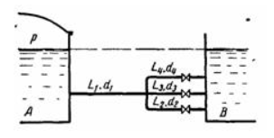
Задача (Куколевский И.И.) 10-4. Резервуары А и В с постоянными и одинаковыми уровнями соединены системой труб, приведенные длины которых L1= 400 м, L2= 180 м, L3 = 50 м, L4 = 400 м и диаметры d1=d2=d3= 100 мм, d4= 200 мм. Определить: 1) При каком давлении р над поверхностью воды в резервуаре А расход в трубе 4 будет равен Q4 = 40 л/сек?. 2) Каков при этом суммарный расход воды из резерву ара А в резервуар В? Задачу решить в предположении квадратичной области сопротивления, приняв л1 = л2 = л3 = 0,025; л4 = 0,02.
Ответ. 1) Р = 3,7 МПа. 2) Q1= 67,3 л/сек.
![]()
Ответ. 1) Р = 3,7 МПа. 2) Q1= 67,3 л/сек.

Характеристики решённой задачи
Номер задания
Вариант
Программы
Теги
Просмотров
1402
Качество
Идеальное компьютерное
Размер
124,83 Kb
Список файлов
Задача 10-4.pdf

Вам все понравилось? Получите кэшбэк - 40 рублей на Ваш счёт при покупке. Поставьте оценку и напишите положительный комментарий к купленному файлу. После Вы получите деньги на ваш счет.