В объемном гидроприводе используются одноштоковые гидроцилиндры Ц1 и Ц2 с диаметрами поршней DП1 и DП2 и диаметрами штоков левого d1 и правого d2 гидроцилиндров и длинами ходов L1 и L2 штоков. Насос обеспечивает подачу QН при максимальном давлении в
Описание
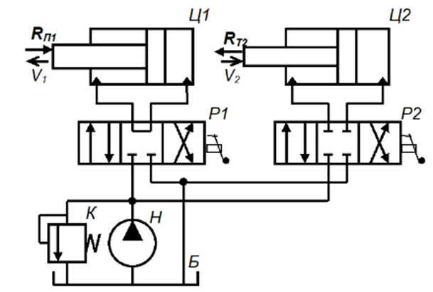
В объемном гидроприводе используются одноштоковые гидроцилиндры Ц1 и Ц2 с диаметрами поршней DП1 и DП2 и диаметрами штоков левого d1 и правого d2 гидроцилиндров и длинами ходов L1 и L2 штоков.
Насос обеспечивает подачу QН при максимальном давлении в нагнетания рН. Общий КПД насоса ηН.
Во время последовательной работы гидроцилиндров при максимальном давлении в напорной гидролинии рН шток гидроцилиндра Ц1 преодолевает препятствующую движению нагрузку RП1 и перемещается со скоростью V1П, а шток гидроцилиндра Ц2 преодолевает препятствующую движению нагрузку RП2 и перемещается со скоростью V2П.
В обратном направлении нагрузки на штоках в 2 раза меньше.
Потери давления в гидролиниях каждого из гидроцилиндров: напорной 0,25 МПа и 0,20 МПа.
Утечки в гидроаппаратуре равны QУтГА. Общий КПД насоса ηН.
Гидробак выполнен в виде гидроцилиндра.
Определить:
а) максимальные усилия и скорости, развиваемые штоками гидроцилиндров при прямом ходе;
б) усилия и скорости, развиваемые штоками гидроцилиндров при обратном ходе;
в) какую максимальную мощность потребляет насос?;
г) с каким общим КПД работает гидропривод?;
д) высоту колебания уровня жидкости при совершении полного хода (туда - обратно) поршня.
QН,л/мин | рН, МПа | ηН | DП1, мм | DП2,мм | d1,мм | d2, мм | L1, мм | L2,мм | QУтГА, см3/мин | DЦ, мм |
21 | 10 | 0,9 | 75 | 60 | 50 | 30 | 400 | 300 | 60 | 300 |
Файлы условия, демо
Характеристики решённой задачи
Список файлов
