Для студентов КГУ им. Некрасова по предмету Механика жидкости и газа (МЖГ или Гидравлика)Цилиндрический резервуар заполнен жидкостью Ж до высоты ¾ Н. диаметр резервуара D, температура жидкости 20 °С. Определить: 1)Объем жидкости, сливающийЦилиндрический резервуар заполнен жидкостью Ж до высоты ¾ Н. диаметр резервуара D, температура жидкости 20 °С. Определить: 1)Объем жидкости, сливающий
5,00518129
2024-09-162024-09-16СтудИзба
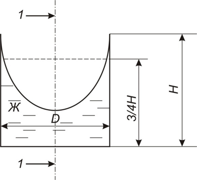
Цилиндрический резервуар заполнен жидкостью Ж до высоты ¾ Н. диаметр резервуара D, температура жидкости 20 °С. Определить: 1)Объем жидкости, сливающийся из резервуара при его вращении с частотой n об/мин вокруг его вертикальной оси; 2)Силу давления
Описание
Цилиндрический резервуар заполнен жидкостью Ж до высоты ¾ Н. диаметр резервуара D, температура жидкости 20°С.
Определить:
- Объем жидкости, сливающийся из резервуара при его вращении с частотой n об/мин вокруг его вертикальной оси;
- Силу давления на дно резервуара и горизонтальную силу, разрывающую резервуар по сечению 1 – 1 при его вращении.
Жидкость | D, м | Н, м | n, об/мин |
Бензин авиационный | 1.2 | 1. 5 | 76 |

Характеристики решённой задачи
Учебное заведение
Номер задания
Программы
Просмотров
3
Качество
Идеальное компьютерное
Размер
55,32 Kb
Список файлов
Задача.docx
