Для студентов по предмету Механика жидкости и газа (МЖГ или Гидравлика)Вода перетекает из напорного бака А в резервуар Б через вентиль с коэффициентом сопротивления ζв = 3 по трубе. Диаметры: d1 = 40 мм, d2 = 60 мм. СчитаВода перетекает из напорного бака А в резервуар Б через вентиль с коэффициентом сопротивления ζв = 3 по трубе. Диаметры: d1 = 40 мм, d2 = 60 мм. Счита
5,00512
2024-07-282024-09-20СтудИзба
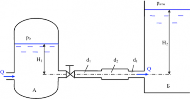
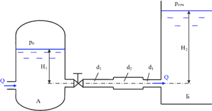
Вода перетекает из напорного бака А в резервуар Б через вентиль с коэффициентом сопротивления ζв = 3 по трубе. Диаметры: d1 = 40 мм, d2 = 60 мм. Считая, режим течения турбулентным и пренебрегая потерями на трение по длине, определить расход. Учесть п
Описание
Вода перетекает из напорного бака А в резервуар Б через вентиль с коэффициентом сопротивления ζв = 3 по трубе. Диаметры: d1 = 40 мм, d2 = 60 мм. Считая, режим течения турбулентным и пренебрегая потерями на трение по длине, определить расход. Учесть потери напора при внезапных сужениях и расширениях. Высоты: Н1 = 1 м, Н2 = 2 м; избыточное давление в напорном баке р0 = 0,15 МПа.
Файлы условия, демо
Характеристики решённой задачи
Номер задания
Вариант
Программы
Теги
Просмотров
68
Качество
Идеальное компьютерное
Размер
135,78 Kb
Список файлов
2-19.docx
