Для студентов УГНТУ по предмету Механика жидкости и газа (МЖГ или Гидравлика)Чему должно быть равно манометрическое давление рм на поверхности жидкости в закрытом резервуаре А для того, чтобы обеспечить подачу жидкости Ж в колиЧему должно быть равно манометрическое давление рм на поверхности жидкости в закрытом резервуаре А для того, чтобы обеспечить подачу жидкости Ж в коли
5,0054
2023-12-272023-12-27СтудИзба
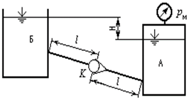
Чему должно быть равно манометрическое давление рм на поверхности жидкости в закрытом резервуаре А для того, чтобы обеспечить подачу жидкости Ж в количестве Q при температуре 20 ºС в открытый резервуар Б. Разность уровней в резервуарах Н. Трубопровод
Бестселлер
Описание
Чему должно быть равно манометрическое давление рм на поверхности жидкости в закрытом резервуаре А для того, чтобы обеспечить подачу жидкости Ж в количестве Q при температуре 20 ºС в открытый резервуар Б. Разность уровней в резервуарах Н. Трубопровод имеет длину 2l и диаметр d. Посередине его установлен обратный клапан К(Рисунок 4), коэффициент местного сопротивления которого ξкл, эквивалентная шероховатость труб Δэ=0,75 мм. Построить пьезометрическую и напорную линии.
![]()

Q, л/с | 3,1 |
H, м | 6,2 |
l, м | 6,2 |
d, мм | 60 |
ξкл | 9 |
жидкость | Керосин Т-1 |
ρ, кг/м3 | 884 |
υ, м2/с | 0,28·10-4 |
Характеристики решённой задачи
Учебное заведение
Номер задания
Вариант
Программы
Просмотров
24
Качество
Идеальное компьютерное
Размер
95,64 Kb
Список файлов
Задача.docx
