Для студентов по предмету Механика жидкости и газа (МЖГ или Гидравлика)Задача 3-33Задача 3-33
5,0058
2023-12-072023-12-07СтудИзба
Задача 3: Задача 3-33 вариант 33
Описание
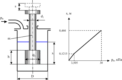
Ступенчатый шток размерами d1=100 мм, d2=h=300 мм и массой m=24 кг плавает в воде, заполняющей цилиндрический сосуд диаметром D=400 мм. В пространстве над водой может быть установлено любое заданное давление воздуха.
1. Определить глубину погружения x штока при атмосферном давлении над уровнем воды.
2. Определить, при каком избыточном давлении ри шток выйдет из воды и каково будет при этом его перемещение s от начального положения ри=0?
Файлы условия, демо
Характеристики решённой задачи
Номер задания
Вариант
Программы
Теги
Просмотров
73
Качество
Идеальное компьютерное
Размер
48,69 Kb
Список файлов
3.33.docx
