Для студентов по предмету Механика жидкости и газа (МЖГ или Гидравлика)По горизонтальной трубе диаметром d1=100 мм, имеющей сужение d2=40 мм, движется вода (расход (Q=6 л/с). Определить абсолютное давление в узком сеченииПо горизонтальной трубе диаметром d1=100 мм, имеющей сужение d2=40 мм, движется вода (расход (Q=6 л/с). Определить абсолютное давление в узком сечении
5,0053
2023-09-092024-09-16СтудИзба
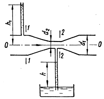
По горизонтальной трубе диаметром d1=100 мм, имеющей сужение d2=40 мм, движется вода (расход (Q=6 л/с). Определить абсолютное давление в узком сечении, если уровень воды в открытом пьезометре перед сужением h1=1,5 м (рис. 3.4). При каком расходе воды
Описание
По горизонтальной трубе диаметром d1=100 мм, имеющей сужение d2=40 мм, движется вода (расход (Q=6 л/с). Определить абсолютное давление в узком сечении, если уровень воды в открытом пьезометре перед сужением h1=1,5 м (рис. 3.4). При каком расходе воды ртуть в трубке, присоединенной к трубопроводу в узком сечении, поднимется на высоту h=10 см, если при этом h1=1,2 м? Потерями напора пренебречь.
Характеристики решённой задачи
Номер задания
Вариант
Просмотров
27
Качество
Скан печатных листов
Размер
1,59 Mb
Список файлов
1.jpg
