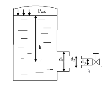
Для студентов по предмету Механика жидкости и газа (МЖГ или Гидравлика)Вода вытекает из закрытого сосуда с избыточным давлением Ризб под напором h по горизонтальной трубе переменного сечения d1, d2, d3, оканчивающейся венВода вытекает из закрытого сосуда с избыточным давлением Ризб под напором h по горизонтальной трубе переменного сечения d1, d2, d3, оканчивающейся вен
5,0054
2023-07-282024-10-14СтудИзба
Вода вытекает из закрытого сосуда с избыточным давлением Ризб под напором h по горизонтальной трубе переменного сечения d1, d2, d3, оканчивающейся вентилем. Определить расход воды Q, построить линии пьезометрического, скоростного и полного напоров. П
Описание
УСЛОВИЕ
Вода вытекает из закрытого сосуда с избыточным давлением Ризб под напором h по горизонтальной трубе переменного сечения d1, d2, d3, оканчивающейся вентилем. Определить расход воды Q, построить линии пьезометрического, скоростного и полного напоров. При расчете учесть потери напора на местные сопротивления.
ДЕМО


Вода вытекает из закрытого сосуда с избыточным давлением Р изб под напором h по горизонтальной трубе переменного сечения d 1 , d 2 , d 3 , оканчивающейся вентилем. Определить расход воды Q, построить линии пьезометрического, скоростного и полного напоров. При расчете учесть потери напора на местные сопротивления..
Характеристики решённой задачи
Номер задания
Программы
Теги
Просмотров
19
Качество
Идеальное компьютерное
Размер
83,37 Kb
Список файлов
Задача 5.docx

Если работа Вам была полезна, Пожалуйста, потратьте несколько секунд, чтобы оставить нам 5 ЗВЁЗД и положительный отзывы. Мы Вам глубоко признателены!