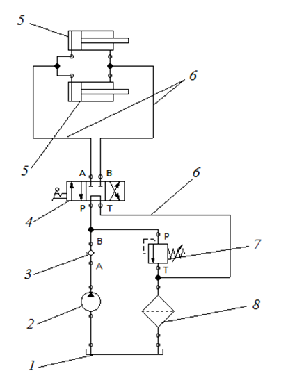
На рис. 3.1 дана схема гидропривода, применяемого в технологических машинах. Гидропривод состоит из масляного бака 1, насоса 2, обратного клапана 3, распределителя 4, гидроцилиндров 5, трубопроводов 6, предохранительного клапана 7, фильтра 8. Рис.
Описание
На рис. 3.1 дана схема гидропривода, применяемого в технологических машинах. Гидропривод состоит из масляного бака 1, насоса 2, обратного клапана 3, распределителя 4, гидроцилиндров 5, трубопроводов 6, предохранительного клапана 7, фильтра 8.
Рис. 3.1 Принципиальная схема гидропривода
Исходные данные:
1. Усилие G, передаваемое двумя цилиндрами к рабочему органу машины G =90 кН=90000 Н.
2. Скорость выдвижения штоков гидроцилиндров V = 0,2 м/с (рабочий ход).
3. Длина трубопровода от насоса до входа в цилиндры l1=6 м, от выхода из цилиндров до фильтра l2 =8 м. На трубопроводе имеется: обратный клапан (ζкл=3), распределитель (ζр=2), два параллельно расположенных силовых цилиндра (коэффициенты местных сопротивлений на входе и выходе из цилиндра ζвх =0,8 и ζвых =0,5, соответственно), фильтр (ζф=12), девять поворотов под углом 90° (ζп =2), один прямоугольный тройник с транзитным потоком (ζт =0,2) и три прямоугольных тройника с отводимым под углом 90° потоком (ζт90 =1,2).
4. Рабочая жидкость – масло ВМГЗ (ρ= 865 кг/м3, ν50 =10·10-6 м2/с).
5. Общий КПД: насоса ηн = 0,85; силового гидроцилиндра ηгц= 0,90.
Требуется определить:
1. Внутренний диаметр гидроцилиндра (диаметр поршня) dц , диаметр
штока поршня dш.
2. Диаметры трубопроводов dт1 и dт2.
3. Подачу, напор и мощность насоса.
Файлы условия, демо
Характеристики решённой задачи
Список файлов
