Для студентов по предмету Механика жидкости и газа (МЖГ или Гидравлика)Задача 4-17Задача 4-17
5,00513
2022-12-232024-07-09СтудИзба
Задача 4: Задача 4-17 вариант 17
Описание
Задача 4-17 (Куколевский И.И.)
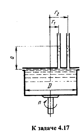
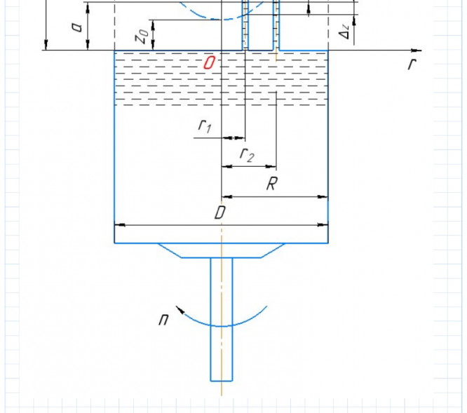
Цилиндрический сосуд диаметром D = 1,2 м, наполненный водой до высоты а = 0,6м в пьезометрах одинакового диаметра, установленных на крышке сосуда на расстояниях r1 = 0,2 м и r2 = 0,4 м от оси, вращается с числом оборотов n = 60 об/мин. Определить силу давления на крышку сосуда и указать, как она будет меняться качественно, если поочередно выключать пьезометры.Ответ. Р = 8450 Н.

ДЕМО


Характеристики решённой задачи
Номер задания
Вариант
Программы
Теги
Просмотров
102
Качество
Идеальное компьютерное
Размер
3,75 Mb
Список файлов
4.17.pdf

Если работа Вам была полезна, Пожалуйста, потратьте несколько секунд, чтобы оставить нам 5 ЗВЁЗД и положительный отзывы. Мы Вам глубоко признателены!