Для студентов по предмету Механика жидкости и газа (МЖГ или Гидравлика)По длинной трубе диаметром d=50 мм протекает жидкость с коэффициентом кинематической вязкости ν=2 см2/с и плотностью ρ=900 кг/м3. Определить расход жиПо длинной трубе диаметром d=50 мм протекает жидкость с коэффициентом кинематической вязкости ν=2 см2/с и плотностью ρ=900 кг/м3. Определить расход жи
5,00518
2022-06-102024-09-20СтудИзба
По длинной трубе диаметром d=50 мм протекает жидкость с коэффициентом кинематической вязкости ν=2 см2/с и плотностью ρ=900 кг/м3. Определить расход жидкости и давление в сечении, где установлен пьезометр h=60 см и трубка Пито H=80 см
Описание
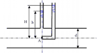
По длинной трубе диаметром d=50 мм протекает жидкость с коэффициентом кинематической вязкости ν=2 см2/с и плотностью ρ=900 кг/м3.
Определить расход жидкости и давление в сечении, где установлен пьезометр h=60 см и трубка Пито H=80 см.
Характеристики решённой задачи
Номер задания
Вариант
Программы
Теги
Просмотров
147
Качество
Идеальное компьютерное
Размер
56,6 Kb
Список файлов
Задача.docx
