Для студентов МГТУ им. Н.Э.Баумана по предмету Детали машин (ДМ)Привод скребкового транспортера с двухступенчатым двухпоточным косозубым соосным редукторомПривод скребкового транспортера с двухступенчатым двухпоточным косозубым соосным редуктором
5,0052
2020-12-062020-12-06СтудИзба
Курсовая работа: Привод скребкового транспортера с двухступенчатым двухпоточным косозубым соосным редуктором вариант 1462
Описание
Курсач на отл, руководитель - Любченко М.А., защита у Палочкина. Листы и спецификация в Компас v22, РПЗ в MW.
![]()

Характеристики курсовой работы
Предмет
Учебное заведение
Семестр
Вариант
Программы
Просмотров
203
Качество
Идеальное компьютерное
Размер
1,36 Mb
Преподаватели
Список файлов
КП ДМ
Вал.cdw
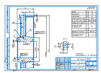
Колесо зубчатое.cdw
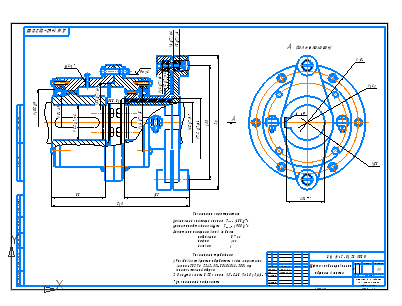
Муфта.cdw
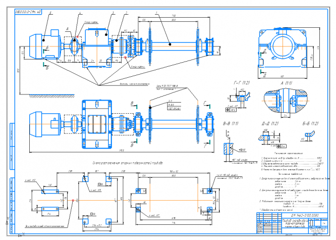
Привод скребкового транспортера (ВО).cdw
РПЗ.docx
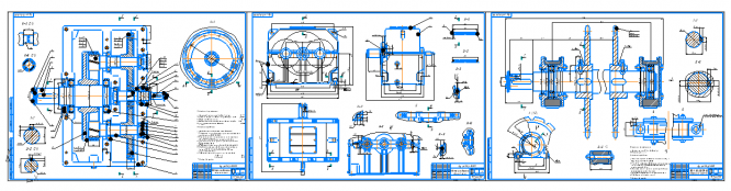
Редуктор цилиндрический (СБ) + Приводной вал (СБ).cdw
Спецификация (ВО).spw
Спецификация (СБ).spw
Комментарии
Нет комментариев
Стань первым, кто что-нибудь напишет!
МГТУ им. Н.Э.Баумана
Wayyyne


















