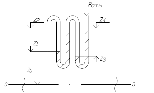
Для студентов по предмету Механика жидкости и газа (МЖГ или Гидравлика)Определить избыточное давление воды в трубе по показаниям батарейного ртутного манометра. Отметки уровней ртути от оси трубы: z1=1,75 м; z2= 3 м; z3= Определить избыточное давление воды в трубе по показаниям батарейного ртутного манометра. Отметки уровней ртути от оси трубы: z1=1,75 м; z2= 3 м; z3=
5,00518061
2022-06-092022-06-09СтудИзба
Определить избыточное давление воды в трубе по показаниям батарейного ртутного манометра. Отметки уровней ртути от оси трубы: z1=1,75 м; z2= 3 м; z3= 1,5 м; z4= 2,5 м.
Описание
Определить избыточное давление воды в трубе по показаниям батарейного ртутного манометра.
Отметки уровней ртути от оси трубы: z1=1,75 м; z2= 3 м; z3= 1,5 м; z4= 2,5 м.
Характеристики решённой задачи
Программы
Просмотров
9
Качество
Идеальное компьютерное
Размер
172,07 Kb
Список файлов
Задача.pdf
