Для студентов по предмету Механика жидкости и газа (МЖГ или Гидравлика)Через цилиндрический насадок, расположенный в стенке, расходуется вода в количестве Q=5,6 л/с. Диаметр насадка d=3,8 см, длина l=15 см. Определить напЧерез цилиндрический насадок, расположенный в стенке, расходуется вода в количестве Q=5,6 л/с. Диаметр насадка d=3,8 см, длина l=15 см. Определить нап
5,0051
2022-06-052022-06-05СтудИзба
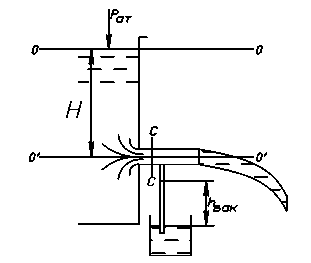
Через цилиндрический насадок, расположенный в стенке, расходуется вода в количестве Q=5,6 л/с. Диаметр насадка d=3,8 см, длина l=15 см. Определить напор H над центром насадка, скорость υс и давление pс в насадке (в сжатом сечении).
Описание
Через цилиндрический насадок, расположенный в стенке, расходуется вода в количестве Q=5,6 л/с. Диаметр насадка d=3,8 см, длина l=15 см. Определить напор H над центром насадка, скорость υс и давление pс в насадке (в сжатом сечении).
Характеристики решённой задачи
Программы
Просмотров
11
Качество
Идеальное компьютерное
Размер
94,45 Kb
Список файлов
Задача.docx
