Для студентов по предмету Механика жидкости и газа (МЖГ или Гидравлика)Трубопровод диаметром d=25 мм служит для транспортирования воды, которая выливается наружу . Показание манометра, установленного в начале трубопроводаТрубопровод диаметром d=25 мм служит для транспортирования воды, которая выливается наружу . Показание манометра, установленного в начале трубопровода
5,0056
2022-06-032022-06-03СтудИзба
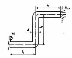
Трубопровод диаметром d=25 мм служит для транспортирования воды, которая выливается наружу . Показание манометра, установленного в начале трубопровода, рм=5 бар. Трубопровод состоит из участков: l1=5 м, l2=4 м и l3=6 м. Коэффициент потерь напора по д
Описание
Трубопровод диаметром d=25 мм служит для транспортирования воды, которая выливается наружу . Показание манометра, установленного в начале трубопровода, рм=5 бар.
Трубопровод состоит из участков: l1=5 м, l2=4 м и l3=6 м. Коэффициент потерь напора по длине λ=0,05, коэффициент местных потерь трубопровода (поворот) ξпов=0,5. Определить расход воды Q в трубопроводе.
Трубопровод состоит из участков: l1=5 м, l2=4 м и l3=6 м. Коэффициент потерь напора по длине λ=0,05, коэффициент местных потерь трубопровода (поворот) ξпов=0,5. Определить расход воды Q в трубопроводе.

Характеристики решённой задачи
Номер задания
Просмотров
32
Качество
Скан печатных листов
Размер
1,36 Mb
Список файлов
1.jpg
