Для студентов по предмету Механика жидкости и газа (МЖГ или Гидравлика)Считая жидкость несжимаемой, определить скорость движения поршня под действием силы F=10 кН на штоке. Диаметр поршня D=80 мм, диаметр штока d=30 мм. ПСчитая жидкость несжимаемой, определить скорость движения поршня под действием силы F=10 кН на штоке. Диаметр поршня D=80 мм, диаметр штока d=30 мм. П
5,00514
2022-05-272024-09-20СтудИзба
Считая жидкость несжимаемой, определить скорость движения поршня под действием силы F=10 кН на штоке. Диаметр поршня D=80 мм, диаметр штока d=30 мм. Проходное сечение дросселя Sдр=2 мм2, коэффициент расхода μ=0,75, избы-точное давление слива pc=0, п
Описание
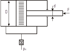
Считая жидкость несжимаемой, определить скорость движения поршня под действием силы F=10 кН на штоке.
Диаметр поршня D=80 мм, диаметр штока d=30 мм.
Проходное сечение дросселя Sдр=2 мм2, коэффициент расхода μ=0,75, избыточное давление слива pc=0, плотность рабочей жидкости ρ=900 кг/м3.
Всеми сопротивлениями, кроме дросселя, пренебречь.
Файлы условия, демо
Характеристики решённой задачи
Номер задания
Вариант
Программы
Теги
Просмотров
92
Качество
Идеальное компьютерное
Размер
62,74 Kb
Список файлов
Задача.docx
