Для студентов по предмету Механика жидкости и газа (МЖГ или Гидравлика)Задача 14-18Задача 14-18
5,0054
2022-05-022022-05-02СтудИзба
Задача 14: Задача 14-18 вариант 18
Описание
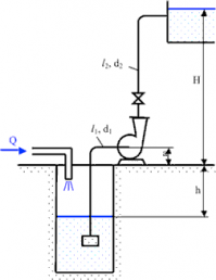
Центробежный насос откачивает воду из сборного колодца в резервуар с постоянным уровнем Н = 12 м по трубопроводам с размерами l1 = 8м, d1 = 100 мм и l2 = 16 м, d2 = 75 мм (рис. 1).
1. На какой глубине h установится уровень воды в колодце, если приток в него Q= 8 л/с, а частота вращения насоса n = 1450 мин-1.
2. Вычислить мощность на валу насоса, принимая во внимание потери во всасывающей и напорной трубах.
При расчетах принять коэффициенты сопротивления трения λ1 = 0,03 и λ2 = 0,035, а также суммарные коэффициенты местных сопротивлений в трубопроводах ζ1=6 и ζ2=10.
Характеристики насоса при n=1450 мин-1:
QН, л/с | 0 | 2 | 4 | 6 | 8 | 10 | 12 | 14 | 16 |
НН, м | 22,0 | 22,4 | 22,6 | 22,4 | 21,5 | 20,0 | 18,0 | 15,0 | 11,0 |
η, % | 0 | 37 | 58 | 71 | 75 | 74 | 68 | 56 | 37 |

Характеристики решённой задачи
Номер задания
Вариант
Программы
Теги
Просмотров
42
Качество
Идеальное компьютерное
Размер
120,81 Kb
Список файлов
Задача.docx
