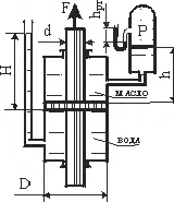
Для студентов НГТУ им. Р.Е. Алексеева по предмету Механика жидкости и газа (МЖГ или Гидравлика)Поршень гидроцилиндра диаметром D удерживается в равновесии силой F, приложенной к штоку диаметром d. Нижняя полость цилиндра заполнена водой. УровеньПоршень гидроцилиндра диаметром D удерживается в равновесии силой F, приложенной к штоку диаметром d. Нижняя полость цилиндра заполнена водой. Уровень
5,0051
2022-04-172024-06-20СтудИзба
Поршень гидроцилиндра диаметром D удерживается в равновесии силой F, приложенной к штоку диаметром d. Нижняя полость цилиндра заполнена водой. Уровень воды в трубке над нижней кромкой поршня равен H. Верхняя полость цилиндра, связанная с закрытым рез
Описание
Поршень гидроцилиндра диаметром D удерживается в равновесии силой F, приложенной к штоку диаметром d. Нижняя полость цилиндра заполнена водой. Уровень воды в трубке над нижней кромкой поршня равен H. Верхняя полость цилиндра, связанная с закрытым резервуаром, заполнена маслом (относительная плотность δм = 0,890). Уровень масла в резервуаре над верхней кромкой поршня равен h. Весом поршня и штока, а также их трением о стенки цилиндра и в сальнике пренебречь.
Определить абсолютное давление воздуха p в закрытом резервуаре, а
также показание ртутного манометра hрт .
Задача 1-7. Дано: δм=0,890, D=0,10 м, d=0,05 м, H=3 м, h=1,5 м, hатм=740 мм рт.ст. , F=0,15 кН, pабс=?, hрт=?
![]()
Определить абсолютное давление воздуха p в закрытом резервуаре, а
также показание ртутного манометра hрт .
Задача 1-7. Дано: δм=0,890, D=0,10 м, d=0,05 м, H=3 м, h=1,5 м, hатм=740 мм рт.ст. , F=0,15 кН, pабс=?, hрт=?

Характеристики решённой задачи
Учебное заведение
Номер задания
Вариант
Просмотров
12
Качество
Фото рукописных листов
Размер
147,06 Kb
Список файлов
1-7.jpg
