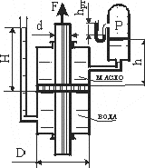
Для студентов НГТУ им. Р.Е. Алексеева по предмету Механика жидкости и газа (МЖГ или Гидравлика)Поршень гидроцилиндра диаметром D удерживается в равновесии силой F, приложенной к штоку диаметром d. Нижняя полость цилиндра заполнена водой. УровеньПоршень гидроцилиндра диаметром D удерживается в равновесии силой F, приложенной к штоку диаметром d. Нижняя полость цилиндра заполнена водой. Уровень
5,0056
2022-04-162022-04-16СтудИзба
Поршень гидроцилиндра диаметром D удерживается в равновесии силой F, приложенной к штоку диаметром d. Нижняя полость цилиндра заполнена водой. Уровень воды в трубке над нижней кромкой поршня равен H. Верхняя полость цилиндра, связанная с закрытым рез
Описание

Определить абсолютное давление воздуха p в закрытом резервуаре, а
также показание ртутного манометра hрт .
Дано: δм=0,890, D=0,120 м, d=0,06 м, H=3,5 м, h=1,4 м, hатм=760 мм рт.ст. , F=0,22 кН, pабс=?, hрт=?
Характеристики решённой задачи
Учебное заведение
Номер задания
Вариант
Программы
Теги
Просмотров
87
Качество
Идеальное компьютерное
Размер
732,61 Kb
Список файлов
Задача 1.docx
