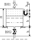
Для студентов НГТУ им. Р.Е. Алексеева по предмету Механика жидкости и газа (МЖГ или Гидравлика)Цилиндрический резервуар высотой H установлен на высоте h над уровнем воды в открытом водоеме. При открытом вентиле ВН1и закрытом вентиле ВН2 резервуаЦилиндрический резервуар высотой H установлен на высоте h над уровнем воды в открытом водоеме. При открытом вентиле ВН1и закрытом вентиле ВН2 резервуа
5,0051
2022-04-162022-04-16СтудИзба
Цилиндрический резервуар высотой H установлен на высоте h над уровнем воды в открытом водоеме. При открытом вентиле ВН1и закрытом вентиле ВН2 резервуар заполнен водой при атмосферном давлении до уровня h. После закрытия вентиля ВН1 и открытия вентиля
Описание
Цилиндрический резервуар высотой H установлен на высоте h над уровнем воды в открытом водоеме. При открытом вентиле ВН1и закрытом вентиле ВН2 резервуар заполнен водой при атмосферном давлении до уровня h. После закрытия вентиля ВН1 и открытия вентиля ВН2 часть воды сливается в водоем.
Определить абсолютное давление воздуха в резервуаре и показание ртутного вакуумметра hрт
Задача 1.13 Дано: H=3 м; h=2 м; hатм=735 мм рт. ст.;
Найти: pабс=?; hрт=?
Характеристики решённой задачи
Учебное заведение
Номер задания
Вариант
Программы
Теги
Просмотров
31
Качество
Идеальное компьютерное
Размер
37,2 Kb
Список файлов
Задача 1.docx
