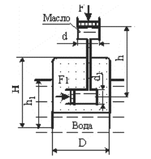
Для студентов НГТУ им. Р.Е. Алексеева по предмету Механика жидкости и газа (МЖГ или Гидравлика)В колокол диаметром D=1,25м, высотой H=5м и массой m =3000 кг, плавающий в открытом водоеме, встроена гидросистема, состоящая из двух цилиндров диаметВ колокол диаметром D=1,25м, высотой H=5м и массой m =3000 кг, плавающий в открытом водоеме, встроена гидросистема, состоящая из двух цилиндров диамет
5,00512
2017-10-252024-09-25СтудИзба
В колокол диаметром D=1,25м, высотой H=5м и массой m =3000 кг, плавающий в открытом водоеме, встроена гидросистема, состоящая из двух цилиндров диаметрами d=0,2м и d1=0,5d, соединенных вертикальной трубой. Система заполнена маслом (относительная плот
Описание

В word13.
Характеристики решённой задачи
Учебное заведение
Номер задания
Вариант
Программы
Просмотров
794
Качество
Идеальное компьютерное
Размер
27,95 Kb
Список файлов
17499-14254-1508934135-14.docx
