Для студентов по предмету Механика жидкости и газа (МЖГ или Гидравлика)Центробежный насос, перекачивающий жидкость Ж при температуре 20°С, развивает подачу Q. Определить допустимую высоту всасывания hв, если длина всасываЦентробежный насос, перекачивающий жидкость Ж при температуре 20°С, развивает подачу Q. Определить допустимую высоту всасывания hв, если длина всасыва
5,0054
2022-04-102022-04-10СтудИзба
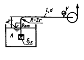
Центробежный насос, перекачивающий жидкость Ж при температуре 20°С, развивает подачу Q. Определить допустимую высоту всасывания hв, если длина всасывающего трубопровода l, диаметр d, эквивалентная шероховатость э, коэффициент сопротивления обратного
Описание
Центробежный насос, перекачивающий жидкость Ж при температуре 20°С, развивает подачу Q. Определить допустимую высоту всасывания hв, если длина всасывающего трубопровода l, диаметр d, эквивалентная шероховатость Dэ, коэффициент сопротивления обратного клапана zк, а показание вакуумметра не превышало бы р1.
![]() | |
Условие:
Ж Q, л/с H, м l, м D э, мм d, мм p1, КПа pм, КПа zк | Керосин Т-2 1,7 4,70 13,2 0,120 50 68,0 18,0 7,0 |
Характеристики решённой задачи
Программы
Просмотров
41
Качество
Идеальное компьютерное
Размер
109,58 Kb
Список файлов
Задача.docx
