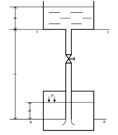
Для студентов по предмету Механика жидкости и газа (МЖГ или Гидравлика)Жидкость Ж подаётся в открытый верхний бак по вертикальной труде длиной l и диаметром d за счёт давления воздуха в нижнем замкнутом резервуаре. ОпредеЖидкость Ж подаётся в открытый верхний бак по вертикальной труде длиной l и диаметром d за счёт давления воздуха в нижнем замкнутом резервуаре. Опреде
5,0059
2018-09-202018-09-20СтудИзба
Жидкость Ж подаётся в открытый верхний бак по вертикальной труде длиной l и диаметром d за счёт давления воздуха в нижнем замкнутом резервуаре. Определить давление p воздуха, при котором расход будет равен Q. Принять следующие коэффициенты сопротивле
Описание

Определить давление p воздуха, при котором расход будет равен Q. Принять следующие коэффициенты сопротивления : вентиля ξв=8 ; входа в трубу ξвх=0,5 ; выхода в бак ξвых=1. эквивалентная шероховатость стенок трубы kэ=0,2 мм.
Дано: Ж – вода ; Q=10 л/с ; l=10 м ; d=80 мм.
Найти: p.
В word13 с пояснениями.
Характеристики решённой задачи
Программы
Просмотров
747
Качество
Идеальное компьютерное
Размер
175,55 Kb
Список файлов
17499-16922-1537462443-zadacha.docx
