Для студентов по предмету Механика жидкости и газа (МЖГ или Гидравлика)Поворотный клапан закрывает выход из бензохранилища в трубу квадратного сечения. Определить, какую силу Т (кН) нужно приложить к тросу для открытия клПоворотный клапан закрывает выход из бензохранилища в трубу квадратного сечения. Определить, какую силу Т (кН) нужно приложить к тросу для открытия кл
5,0058
2021-11-232025-04-13СтудИзба
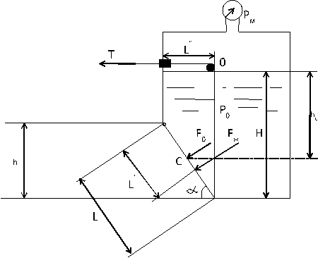
Поворотный клапан закрывает выход из бензохранилища в трубу квадратного сечения. Определить, какую силу Т (кН) нужно приложить к тросу для открытия клапана. Исходные данные: Сторона трубы квадратного сечения h = 0,3 (м) Высота столба воды H = 0,95
Описание
Поворотный клапан закрывает выход из бензохранилища в трубу квадратного сечения. Определить, какую силу Т (кН) нужно приложить к тросу для открытия клапана.
Исходные данные:
Сторона трубы квадратного сечения h = 0,3 (м)
Высота столба воды H = 0,95 (м)
Угол наклона поворотного клапана α = 450
Давление паров бензина Рм = 10 (кПа) = 10000 (Па)
Плотность бензина ρб = 700 кг/м2
Характеристики решённой задачи
Программы
Просмотров
104
Качество
Идеальное компьютерное
Размер
367,35 Kb
Список файлов
