Для студентов УГТУ по предмету Механика жидкости и газа (МЖГ или Гидравлика)Задача 29Задача 29
5,0059
2021-01-072021-01-07СтудИзба
Задача 29 вариант 3
Описание
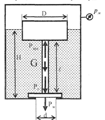
В днище резервуара с водой имеется круглое спускное отверстие, закрытое плоским клапаном. Определить, при каком диаметре цилиндрического поплавка клапан автоматически откроется при достижении высоты уровня жидкости в резервуаре Длина цепочки, связывающей поплавок с клапаном, равна вес подвижных частей устройства давление на свободной поверхности жидкости измеряется мановакуумметром, его показание равно температура воды .

Вариант | l | d | G | Pv | H | t |
3 | 0,85 | 0,08 | 25 | 15 | 1,9 | 40 |
Характеристики решённой задачи
Учебное заведение
Семестр
Номер задания
Вариант
Теги
Просмотров
103
Размер
76,62 Kb
Список файлов
задача 29.docx
Комментарии
Нет комментариев
Стань первым, кто что-нибудь напишет!
УГТУ
444
















