Главная » Учебные материалы » Механика жидкости и газа (МЖГ или Гидравлика) » Решения задач » Определить показания h двухжидкостного дифференциального манометра, при котором система из двух поршней, имеющих общий шток, будет находится в равновесии, если в обоих цилиндрах находится жидкость А, в колене двухжидкостного дифференциального маноме

Определить показания h двухжидкостного дифференциального манометра, при котором система из двух поршней, имеющих общий шток, будет находится в равновесии, если в обоих цилиндрах находится жидкость А, в колене двухжидкостного дифференциального маноме

Описание

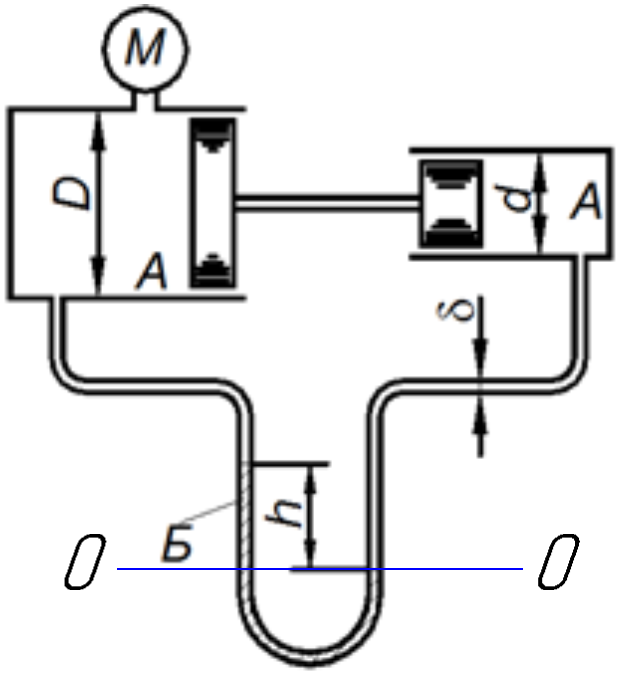
Определить показания h двухжидкостного дифференциального манометра, при котором система из двух поршней, имеющих общий шток, будет находится в равновесии, если в обоих цилиндрах находится жидкость А, в колене двухжидкостного дифференциального манометра – жидкость Б; абсолютное давление, показываемое пружинным манометром. Трением поршней в цилиндрах пренебречь.

Дано: жидкость А – вода; жидкость Б – ртуть; D=250 мм; d=150 мм; d=14 мм; рм=1,2 ат.

Характеристики решённой задачи

Программы
Просмотров
623
Качество
Идеальное компьютерное
Размер
115,12 Kb

Список файлов

Картинка-подпись

Комментарии

Нет комментариев
Стань первым, кто что-нибудь напишет!
Поделитесь ссылкой:
Цена: 79 руб.
Расширенная гарантия +3 недели гарантии, +10% цены
Рейтинг покупателей
5 из 5
Поделитесь ссылкой:
Сопутствующие материалы
Из открытого резервуара, в котором поддерживается постоянный уровень жидкости, по трубопроводу, имеющему два участка, жидкость при температуре 20 0С течет в другой резервуар, расположенный ниже на высоту H. Определить расход жидкости. В расчетах прин
Цилиндрический закрытый сосуд с вертикальной осью, имеющий высоту Н и диаметр 2R, наполнен жидкостью на глубину Н0. Определить скорость его вращения (число оборотов в минуту) в двух случаях: −когда воронка расположена на высоте h над дном сосуда; −
Щитовой затвор шириной к должен автоматически поворачиваться во­круг оси АВ, открываться при уровне Н2=7,2м и пропускать её в левый отсек. Угол наклона щита равен a=450, температура жидкости t=5 0C. Силой трения на цапфах при повороте пренебречь. Диа
FREE
И.И. Куколевский, Л.Г. Подвидз - Сборник задач по машиностроительной гидравлике
Для горизонтального трубопровода, размеры которого указаны в таблице, определить расход Бугуруслановской нефти при температуре t = 18° C, если показание манометра PM. Коэффициент сопротивления вентиля и сопла соответственно равны ζв=4, ζс=0,6. Трубы
Задача по гидравлике/МЖГ

Подобрали для Вас услуги

-17%
Вы можете использовать решённую задачу для примера, а также можете ссылаться на неё в своей работе. Авторство принадлежит автору работы, поэтому запрещено копировать текст из этой работы для любой публикации, в том числе в свою задачу в учебном заведении, без правильно оформленной ссылки. Читайте как правильно публиковать ссылки в своей работе.
Свежие статьи
Популярно сейчас
А знаете ли Вы, что из года в год задания практически не меняются? Математика, преподаваемая в учебных заведениях, никак не менялась минимум 30 лет. Найдите нужный учебный материал на СтудИзбе!
Ответы на популярные вопросы
Да! Наши авторы собирают и выкладывают те работы, которые сдаются в Вашем учебном заведении ежегодно и уже проверены преподавателями.
Да! У нас любой человек может выложить любую учебную работу и зарабатывать на её продажах! Но каждый учебный материал публикуется только после тщательной проверки администрацией.
Вернём деньги! А если быть более точными, то автору даётся немного времени на исправление, а если не исправит или выйдет время, то вернём деньги в полном объёме!
Да! На равне с готовыми студенческими работами у нас продаются услуги. Цены на услуги видны сразу, то есть Вам нужно только указать параметры и сразу можно оплачивать.
Отзывы студентов
Ставлю 10/10
Все нравится, очень удобный сайт, помогает в учебе. Кроме этого, можно заработать самому, выставляя готовые учебные материалы на продажу здесь. Рейтинги и отзывы на преподавателей очень помогают сориентироваться в начале нового семестра. Спасибо за такую функцию. Ставлю максимальную оценку.
Лучшая платформа для успешной сдачи сессии
Познакомился со СтудИзбой благодаря своему другу, очень нравится интерфейс, количество доступных файлов, цена, в общем, все прекрасно. Даже сам продаю какие-то свои работы.
Студизба ван лав ❤
Очень офигенный сайт для студентов. Много полезных учебных материалов. Пользуюсь студизбой с октября 2021 года. Серьёзных нареканий нет. Хотелось бы, что бы ввели подписочную модель и сделали материалы дешевле 300 рублей в рамках подписки бесплатными.
Отличный сайт
Лично меня всё устраивает - и покупка, и продажа; и цены, и возможность предпросмотра куска файла, и обилие бесплатных файлов (в подборках по авторам, читай, ВУЗам и факультетам). Есть определённые баги, но всё решаемо, да и администраторы реагируют в течение суток.
Маленький отзыв о большом помощнике!
Студизба спасает в те моменты, когда сроки горят, а работ накопилось достаточно. Довольно удобный сайт с простой навигацией и огромным количеством материалов.
Студ. Изба как крупнейший сборник работ для студентов
Тут дофига бывает всего полезного. Печально, что бывают предметы по которым даже одного бесплатного решения нет, но это скорее вопрос к студентам. В остальном всё здорово.
Спасательный островок
Если уже не успеваешь разобраться или застрял на каком-то задание поможет тебе быстро и недорого решить твою проблему.
Всё и так отлично
Всё очень удобно. Особенно круто, что есть система бонусов и можно выводить остатки денег. Очень много качественных бесплатных файлов.
Отзыв о системе "Студизба"
Отличная платформа для распространения работ, востребованных студентами. Хорошо налаженная и качественная работа сайта, огромная база заданий и аудитория.
Отличный помощник
Отличный сайт с кучей полезных файлов, позволяющий найти много методичек / учебников / отзывов о вузах и преподователях.
Отлично помогает студентам в любой момент для решения трудных и незамедлительных задач
Хотелось бы больше конкретной информации о преподавателях. А так в принципе хороший сайт, всегда им пользуюсь и ни разу не было желания прекратить. Хороший сайт для помощи студентам, удобный и приятный интерфейс. Из недостатков можно выделить только отсутствия небольшого количества файлов.
Спасибо за шикарный сайт
Великолепный сайт на котором студент за не большие деньги может найти помощь с дз, проектами курсовыми, лабораторными, а также узнать отзывы на преподавателей и бесплатно скачать пособия.
Популярные преподаватели
Добавляйте материалы
и зарабатывайте!
Продажи идут автоматически
7181
Авторов
на СтудИзбе
251
Средний доход
с одного платного файла
Обучение Подробнее