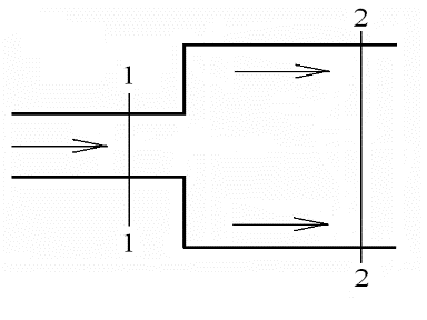
Для студентов по предмету Механика жидкости и газа (МЖГ или Гидравлика)Поток жидкости переходит из трубы 1 в трубу 2; отношение скоростей V1 и V2 равно V1/V2=a. Определить отношение диаметров d2/d1.Поток жидкости переходит из трубы 1 в трубу 2; отношение скоростей V1 и V2 равно V1/V2=a. Определить отношение диаметров d2/d1.
5,0056
2019-02-032019-02-03СтудИзба
Поток жидкости переходит из трубы 1 в трубу 2; отношение скоростей V1 и V2 равно V1/V2=a. Определить отношение диаметров d2/d1.
Описание
Поток жидкости переходит из трубы диаметром d1 в трубу диаметром d2; отношение скоростей V1 и V2 равно V1/V2=a. Определить отношение диаметров d2/d1.
Решение с пояснениями вариант №7 в word13.
№ | 1 | 2 | 3 | 4 | 5 | 6 | 7 | 8 | 9 | 10 |
a | 1,4 | 1,6 | 2,1 | 3,4 | 2,8 | 1,8 | 3,0 | 1,5 | 2,2 | 3,2 |
Характеристики решённой задачи
Вариант
Программы
Просмотров
173
Качество
Идеальное компьютерное
Размер
41,53 Kb
Список файлов
