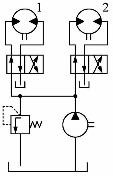
Главная » Учебные материалы » Механика жидкости и газа (МЖГ или Гидравлика) » Решения задач » Несколько классов/семестров » Вал гидромотора 1 с рабочим объемом Vo1 =25 см3 вращается с частотой n1=1000 об/мин. Определить частоту вращения вала гидромотора 2 с рабочимnобъемом Vo2 =32 см3, если подача насоса Qн = 48 л/мин, утечки масла в гидроаппаратуре q=6 см3/с, а объемные
Для студентов по предмету Механика жидкости и газа (МЖГ или Гидравлика)Вал гидромотора 1 с рабочим объемом Vo1 =25 см3 вращается с частотой n1=1000 об/мин. Определить частоту вращения вала гидромотора 2 с рабочимnобъемом Вал гидромотора 1 с рабочим объемом Vo1 =25 см3 вращается с частотой n1=1000 об/мин. Определить частоту вращения вала гидромотора 2 с рабочимnобъемом
5,0054
2017-01-31СтудИзба

Вал гидромотора 1 с рабочим объемом Vo1 =25 см3 вращается с частотой n1=1000 об/мин. Определить частоту вращения вала гидромотора 2 с рабочимnобъемом Vo2 =32 см3, если подача насоса Qн = 48 л/мин, утечки масла в гидроаппаратуре q=6 см3/с, а объемные

Описание

Вал гидромотора 1 с рабочим объемом Vo1 =25 см3 вращается с частотой n1=1000 об/мин. Определить частоту вращения вала гидромотора 2 с рабочимnобъемом Vo2 =32 см3, если подача насоса Qн = 48 л/мин, утечки масла в гидроаппаратуре q=6 см3/с, а объемные КПД обоих гидромоторов ηо=0,98.

В word13.

Характеристики решённой задачи

Программы
Просмотров
886
Качество
Идеальное компьютерное
Размер
52,7 Kb

Список файлов

17499-12451-1485870434-zadacha-.docx
Картинка-подпись

Комментарии

Нет комментариев
Стань первым, кто что-нибудь напишет!
Поделитесь ссылкой:
Цена: 79 руб.
Расширенная гарантия +3 недели гарантии, +10% цены
Рейтинг покупателей
5 из 5
Поделитесь ссылкой:
Сопутствующие материалы
Регулирование скорости вращения вала гидромотора осуществляется дросселем, установленным последовательно в напорной гидролинии. Определить минимальную частоту вращения вала гидромотора из условия допустимой потери мощности в гидроклапане Nкл, установ
Гидравлический мультипликатор получает от насоса жидкость под избыточным давлением Р1=1,1МПа. При этом поршень с диаметрами D=180мм и d=50мм перемещается вверх, создавая на выходе из мультипликатора давление Р2. Вес подвижной части мультипликатора G=
В гидроприводе с объемным регулированием установлен аксиально-поршневой насос со следующими параметрами: количество поршней z, диаметр поршней d, диаметр окружности центров цилиндров D, частота вращения насоса nн, угол наклона диска γ, который может
Определить, с какой силой действует ветер на щит размером 2х2 м. Скорость ветра равна V =20 м/с , коэффициент ветрового давления kв=1, а температура воздуха составляет –40 °С.
Определить объёмный модуль упругости жидкости, если под действием груза А массой 250 кг поршень прошел расстояние Δh = 5 мм. Начальная высота положения поршня (без груза) H = 1,5 м; диаметр поршня d = 80 мм и резервуара D = 300 мм; высота резервуара
Практическое занятие №5. Расчет многофазного выпрямителя (Семинар 5)

Подобрали для Вас услуги

-33%
-63%
-30%
Вы можете использовать решённую задачу для примера, а также можете ссылаться на неё в своей работе. Авторство принадлежит автору работы, поэтому запрещено копировать текст из этой работы для любой публикации, в том числе в свою задачу в учебном заведении, без правильно оформленной ссылки. Читайте как правильно публиковать ссылки в своей работе.
Свежие статьи
Популярно сейчас
Зачем заказывать выполнение своего задания, если оно уже было выполнено много много раз? Его можно просто купить или даже скачать бесплатно на СтудИзбе. Найдите нужный учебный материал у нас!
Ответы на популярные вопросы
Да! Наши авторы собирают и выкладывают те работы, которые сдаются в Вашем учебном заведении ежегодно и уже проверены преподавателями.
Да! У нас любой человек может выложить любую учебную работу и зарабатывать на её продажах! Но каждый учебный материал публикуется только после тщательной проверки администрацией.
Вернём деньги! А если быть более точными, то автору даётся немного времени на исправление, а если не исправит или выйдет время, то вернём деньги в полном объёме!
Да! На равне с готовыми студенческими работами у нас продаются услуги. Цены на услуги видны сразу, то есть Вам нужно только указать параметры и сразу можно оплачивать.
Отзывы студентов
Ставлю 10/10
Все нравится, очень удобный сайт, помогает в учебе. Кроме этого, можно заработать самому, выставляя готовые учебные материалы на продажу здесь. Рейтинги и отзывы на преподавателей очень помогают сориентироваться в начале нового семестра. Спасибо за такую функцию. Ставлю максимальную оценку.
Лучшая платформа для успешной сдачи сессии
Познакомился со СтудИзбой благодаря своему другу, очень нравится интерфейс, количество доступных файлов, цена, в общем, все прекрасно. Даже сам продаю какие-то свои работы.
Студизба ван лав ❤
Очень офигенный сайт для студентов. Много полезных учебных материалов. Пользуюсь студизбой с октября 2021 года. Серьёзных нареканий нет. Хотелось бы, что бы ввели подписочную модель и сделали материалы дешевле 300 рублей в рамках подписки бесплатными.
Отличный сайт
Лично меня всё устраивает - и покупка, и продажа; и цены, и возможность предпросмотра куска файла, и обилие бесплатных файлов (в подборках по авторам, читай, ВУЗам и факультетам). Есть определённые баги, но всё решаемо, да и администраторы реагируют в течение суток.
Маленький отзыв о большом помощнике!
Студизба спасает в те моменты, когда сроки горят, а работ накопилось достаточно. Довольно удобный сайт с простой навигацией и огромным количеством материалов.
Студ. Изба как крупнейший сборник работ для студентов
Тут дофига бывает всего полезного. Печально, что бывают предметы по которым даже одного бесплатного решения нет, но это скорее вопрос к студентам. В остальном всё здорово.
Спасательный островок
Если уже не успеваешь разобраться или застрял на каком-то задание поможет тебе быстро и недорого решить твою проблему.
Всё и так отлично
Всё очень удобно. Особенно круто, что есть система бонусов и можно выводить остатки денег. Очень много качественных бесплатных файлов.
Отзыв о системе "Студизба"
Отличная платформа для распространения работ, востребованных студентами. Хорошо налаженная и качественная работа сайта, огромная база заданий и аудитория.
Отличный помощник
Отличный сайт с кучей полезных файлов, позволяющий найти много методичек / учебников / отзывов о вузах и преподователях.
Отлично помогает студентам в любой момент для решения трудных и незамедлительных задач
Хотелось бы больше конкретной информации о преподавателях. А так в принципе хороший сайт, всегда им пользуюсь и ни разу не было желания прекратить. Хороший сайт для помощи студентам, удобный и приятный интерфейс. Из недостатков можно выделить только отсутствия небольшого количества файлов.
Спасибо за шикарный сайт
Великолепный сайт на котором студент за не большие деньги может найти помощь с дз, проектами курсовыми, лабораторными, а также узнать отзывы на преподавателей и бесплатно скачать пособия.
Популярные преподаватели
Добавляйте материалы
и зарабатывайте!
Продажи идут автоматически
6955
Авторов
на СтудИзбе
264
Средний доход
с одного платного файла
Обучение Подробнее
{user_main_secret_data}