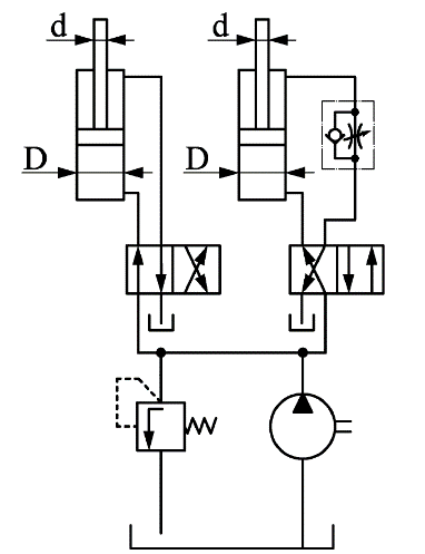
Для студентов по предмету Механика жидкости и газа (МЖГ или Гидравлика)Определить скорость движения поршней гидроцилиндров (D=160 мм, d=80 мм), перемещающихся вверх с одинаковой скоростью, и потери мощности, из-за слива мОпределить скорость движения поршней гидроцилиндров (D=160 мм, d=80 мм), перемещающихся вверх с одинаковой скоростью, и потери мощности, из-за слива м
5,0052
2017-01-262017-01-26СтудИзба
Определить скорость движения поршней гидроцилиндров (D=160 мм, d=80 мм), перемещающихся вверх с одинаковой скоростью, и потери мощности, из-за слива масла через гидроклапан, если давление развиваемое насосом рн=7,5 МПа, подача Qн =30л/мин. Расход мас
Описание

Подробное решение с пояснениями в word13.
Характеристики решённой задачи
Программы
Просмотров
555
Качество
Идеальное компьютерное
Размер
31,27 Kb
Список файлов
17499-12397-1485457626-zadacha-.docx
