Для студентов МГТУ им. Н.Э.Баумана по предмету Механика жидкости и газа (МЖГ или Гидравлика)ДЗ3 (Задачи 3.1.11 и 3.2.11)ДЗ3 (Задачи 3.1.11 и 3.2.11)
5,005261
2022-01-302022-01-30СтудИзба
ДЗ 3: ДЗ3 (Задачи 3.1.11 и 3.2.11)
Бестселлер
Описание
Задачи 3.1.11 и 3.2.11, решены в ворде, приняты Никитиным О.Ф. в 2021 г.
Задача 3.1.11 В объемном гидроприводе используется гидромотор М с рабочим объемом V0ГМ и КПД объемным ηоб.ГМ и гидромеханическим ηгмех.ГМ. При потерях давления в напорной гидролинии Δрнап, распределителе Δррасп и сливной гидролинии Δрсл и утечке рабочей жидкости в гидроаппаратуре QутГА на выходном валу гидромотора развивается момент Мгм при частоте вращения вала nгм. Общий КПД насоса ηН.
Определить полезную и потребляемую мощности гидропривода и КПД гидропривода в заданном режиме работы.
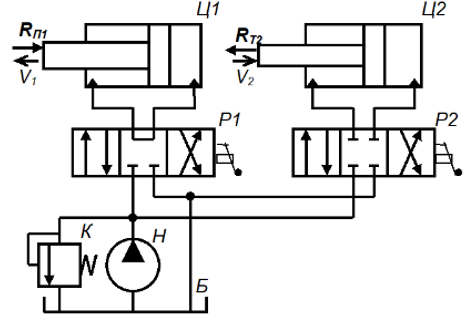
Задача 3.2.11 В объемном гидроприводе используются одноштоковые гидроцилиндры Ц1 и Ц2 с диаметрами поршней DП1 и DП2 и диаметрами штоков левого d1 и правого d2 гидроцилиндров и длинами ходов L1 и L2 штоков.
Насос обеспечивает подачу QН при максимальном давлении в нагнетания рН. Общий КПД насоса ηН.
Во время последовательной работы гидроцилиндров при максимальном давлении в напорной гидролинии рН шток гидроцилиндра Ц1 преодолевает препятствующую движению нагрузку RП1 и перемещается со скоростью V1П, а шток гидроцилиндра Ц2 преодолевает препятствующую движению нагрузку RП2 и перемещается со скоростью V2П.
В обратном направлении нагрузки на штоках в 2 раза меньше.
Потери давления в гидролиниях каждого из гидроцилиндров: напорной 0,25 МПа и 0,20 МПа.
Утечки в гидроаппаратуре равны QУтГА. Общий КПД насоса ηН.
Гидробак выполнен в виде гидроцилиндра.
Определить:
а) максимальные усилия и скорости, развиваемые штоками гидроцилиндров при прямом ходе;
б) усилия и скорости, развиваемые штоками гидроцилиндров при обратном ходе;
в) какую максимальную мощность потребляет насос?;
г) с каким общим КПД работает гидропривод?;
д) высоту колебания уровня жидкости при совершении полного хода (туда - обратно) поршня.
![]()
Задача 3.1.11 В объемном гидроприводе используется гидромотор М с рабочим объемом V0ГМ и КПД объемным ηоб.ГМ и гидромеханическим ηгмех.ГМ. При потерях давления в напорной гидролинии Δрнап, распределителе Δррасп и сливной гидролинии Δрсл и утечке рабочей жидкости в гидроаппаратуре QутГА на выходном валу гидромотора развивается момент Мгм при частоте вращения вала nгм. Общий КПД насоса ηН.
Определить полезную и потребляемую мощности гидропривода и КПД гидропривода в заданном режиме работы.
| насос | гидромотор | потери давления | утечки | ||||||
| ηН | V0ГМ, см3 | Мгм, Нм | nгм, об/мин | ηоб.ГМ | ηгмех.ГМ | Δрнап, МПа | Δррасп, МПа | Δрсл, МПа | QУтР, см3/мин |
| 0,88 | 60 | 100 | 900 | 0,97 | 0,95 | 0,2 | 0,2 | 0,2 | 200 |
Задача 3.2.11 В объемном гидроприводе используются одноштоковые гидроцилиндры Ц1 и Ц2 с диаметрами поршней DП1 и DП2 и диаметрами штоков левого d1 и правого d2 гидроцилиндров и длинами ходов L1 и L2 штоков. Насос обеспечивает подачу QН при максимальном давлении в нагнетания рН. Общий КПД насоса ηН.
Во время последовательной работы гидроцилиндров при максимальном давлении в напорной гидролинии рН шток гидроцилиндра Ц1 преодолевает препятствующую движению нагрузку RП1 и перемещается со скоростью V1П, а шток гидроцилиндра Ц2 преодолевает препятствующую движению нагрузку RП2 и перемещается со скоростью V2П.
В обратном направлении нагрузки на штоках в 2 раза меньше.
Потери давления в гидролиниях каждого из гидроцилиндров: напорной 0,25 МПа и 0,20 МПа.
Утечки в гидроаппаратуре равны QУтГА. Общий КПД насоса ηН.
Гидробак выполнен в виде гидроцилиндра.
Определить:
а) максимальные усилия и скорости, развиваемые штоками гидроцилиндров при прямом ходе;
б) усилия и скорости, развиваемые штоками гидроцилиндров при обратном ходе;
в) какую максимальную мощность потребляет насос?;
г) с каким общим КПД работает гидропривод?;
д) высоту колебания уровня жидкости при совершении полного хода (туда - обратно) поршня.
| QН, л/мин | рН, МПа | ηН | DП1, мм | DП2, мм | d1, мм | d2, мм | L1, мм | L2, мм | QУтГА, см3/мин | DЦ, мм |
| 30 | 12 | 0,89 | 90 | 75 | 50 | 40 | 700 | 500 | 75 | 400 |

Характеристики домашнего задания
Учебное заведение
Номер задания
Просмотров
349
Качество
Идеальное компьютерное
Размер
51,66 Kb
Список файлов
Комментарии
Отзыв
всё правильно
МГТУ им. Н.Э.Баумана
shashlyk



















