Для студентов МГТУ им. Н.Э.Баумана по предмету Медицинские измерительные преобразователи и электродыИсследование характеристик электродов I родаИсследование характеристик электродов I рода
5,0056
2022-06-172025-10-19СтудИзба
Лабораторная работа: Исследование характеристик электродов I рода
Бестселлер
Описание
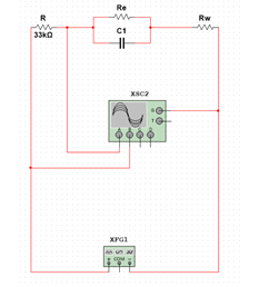
Электрическая схема измерений со схемой замещения электродной ячейки показана на рисунке 1. Генератор XFG1 формирует гармоническое напряжение на входе схеме с задаваемой амплитудой и частотой. Двухлучевой осциллограф XSC2 регистрирует напряжение генератора и напряжение на электродной ячейке. Управление осциллографом и генератором осуществляется в дистанционном режиме при помощи программы OWON DSO. Канал 1 (на рисунке обозначен как канал А) отображает напряжение на электродной ячейке, канал 2 на рисунке обозначен как канал B) – на выходе генератора. Электродная ячейка представлена параллельно соединенными резистором Re и конденсатором Ce. Сопротивление раствора электролита и дополнительного резистора в сумме равно Rw (считать равными нулю); нагрузочное сопротивление R=33 кОм служит для ограничения тока через электродную ячейку.
Рисунок 1 – Схема электрическая принципиальная измерительного стенда
Целью лабораторной работы является экспериментальное исследование параметров и характеристик электродной ячейки из электродов I рода.
Рисунок 1 – Схема электрическая принципиальная измерительного стенда Целью лабораторной работы является экспериментальное исследование параметров и характеристик электродной ячейки из электродов I рода.
Характеристики лабораторной работы
Учебное заведение
Семестр
Просмотров
51
Размер
416,38 Kb
Список файлов
ЛР.pdf
Комментарии
Нет комментариев
Стань первым, кто что-нибудь напишет!
МГТУ им. Н.Э.Баумана
meoww



















