Расчет прочности аппарата с паровой рубашкой и диска
Задача: Расчет аппарата с паровой рубашкой и прочностной расчет диска дробилки
Контрольная задача
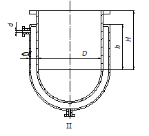
Задача №1. Расчет аппаратов, работающих под внешним и внутренним избыточным давлением.
Задание, рассчитать аппарат, работающий под давлением, если заданы: внутренний диаметр обечайки аппарата D = 1,1 м; высота цилиндрической обечайки аппарата Н = 1,5 м; высота паровой рубашки h = 0,65×H = 0,975 м; избыточное давление пара в рубашке Р =0,313 МПа; температура пара в рубашке t = 135 °С; материал обечайки сталь ВСт3пс; материал паровой рубашки – сталь ВСт3пс; избыточное давление в аппарате Ра = 0,0981 МПа; температура продукта tп = 100 °С; толщина паровой рубашки b = 0,040 м. Гидростатическое давление жидкости в аппарате не учитывать.
Рис. 1. Схема аппарата
Контрольная задача 2
Цель работы:
1) определение размеров конструктивных элементов молотков;
2) приобретение практических навыков расчета диска молотковой дробилки на прочность; построение эпюр радиальных и тангенциальных напряжений в диске молотковой дробилки; определение местного коэффициента запаса прочности;
3) расчет вала ротора дробилки на виброустойчивость.
Задание: выполнить прочностной расчет дисков молотковой дробилки и построить эпюры радиальных и , тангенциальных напряжений, если задано: количество молотков =7 шт; количество осей =7 шт; количество дисков = 2 шт; длина молотка А= 0,11 м; ширина В = 0,05 м; толщина =0,022 м; радиус вала ротора = 0,036 м; радиус крепления осей молотка = 0,28 м; толщина диска b = 0,01 м; наружный диаметр диска D = 0,55 м; диаметр оси подвеса молотков doc = 0,012 м; длина оси lос,= 0,06 м; расстояние между опорами L = 0,2 м; окружная скорость крайней точки молотка V = 75 м/с; радиальное напряжение на поверхности посадочного отверстия диска = -5МПа.Показать/скрыть дополнительное описание
Задача №1. Расчет аппаратов, работающих под внешним и внутренним избыточным давлением.
Задание, рассчитать аппарат, работающий под давлением, если заданы: внутренний диаметр обечайки аппарата D = 1,1 м; высота цилиндрической обечайки аппарата Н = 1,5 м; высота паровой рубашки h = 0,65×H = 0,975 м; избыточное давление пара в рубашке Р =0,313 МПа; температура пара в рубашке t = 135 °С; материал обечайки сталь ВСт3пс; материал паровой рубашки – сталь ВСт3пс; избыточное давление в аппарате Ра = 0,0981 МПа; температура продукта tп = 100 °С; толщина паровой рубашки b = 0,040 м. Гидростатическое давление жидкости в аппарате не учитывать.
Рис. 1. Схема аппарата Контрольная задача 2
Цель работы:
1) определение размеров конструктивных элементов молотков;
2) приобретение практических навыков расчета диска молотковой дробилки на прочность; построение эпюр радиальных и тангенциальных напряжений в диске молотковой дробилки; определение местного коэффициента запаса прочности;
3) расчет вала ротора дробилки на виброустойчивость.
Задание: выполнить прочностной расчет дисков молотковой дробилки и построить эпюры радиальных и , тангенциальных напряжений, если задано: количество молотков =7 шт; количество осей =7 шт; количество дисков = 2 шт; длина молотка А= 0,11 м; ширина В = 0,05 м; толщина =0,022 м; радиус вала ротора = 0,036 м; радиус крепления осей молотка = 0,28 м; толщина диска b = 0,01 м; наружный диаметр диска D = 0,55 м; диаметр оси подвеса молотков doc = 0,012 м; длина оси lос,= 0,06 м; расстояние между опорами L = 0,2 м; окружная скорость крайней точки молотка V = 75 м/с; радиальное напряжение на поверхности посадочного отверстия диска = -5МПа.Показать/скрыть дополнительное описание
Контрольный комплект: расчёт аппарата под давлением (паровая рубашка, обечайка, днище) с численными итогами и прочностной расчёт диска молотковой дробилки — эпюры напряжений и проверка виброустойчивости..
Характеристики решённой задачи
Предмет
Учебное заведение
Семестр
Просмотров
1
Размер
486 Kb
Список файлов
Задача_КР1_вариант_42.doc
Задача_КР2_вариант_42.doc
🎓 Никольский - Помощь студентам 📚 Любые виды работ: тесты, сессии под ключ, практики, курсовые и дипломные с гарантией результата ✅ Все услуги под ключ ✅ Знаем все тонкости именно вашего ВУЗа ✅ Сдадим или вернем деньги
Комментарии
Нет комментариев
Стань первым, кто что-нибудь напишет!
ВГУИТ
nikolskypomosh














