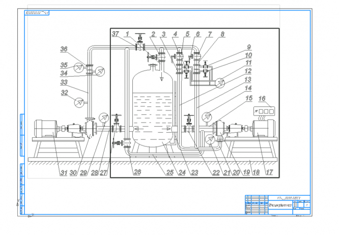
Для студентов МГТУ им. Н.Э.Баумана по предмету Лопастные гидромашиныСхема обвязки центробежного насосаСхема обвязки центробежного насоса
4,9951117
2024-03-092024-03-09СтудИзба
Другое: Схема обвязки центробежного насоса
Описание
Характеристики учебной работы
Тип
Предмет
Учебное заведение
Семестр
Программы
Просмотров
7
Размер
201,41 Kb
Список файлов
Обвязка.cdw

Спасибо за покупку! Я буду очень рад, если поставишь справедливую оценку купленному файлу