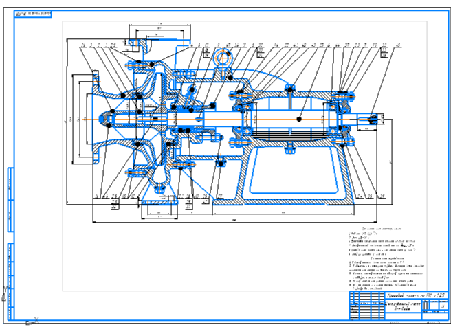
Для студентов МГТУ им. Н.Э.Баумана по предмету Лопастные гидромашиныКонсольный центробежный насос (Q=40, H=35, n=2950, dh=1,2)Консольный центробежный насос (Q=40, H=35, n=2950, dh=1,2)
5,0052
2024-04-262024-04-26СтудИзба
Курсовая работа: Консольный центробежный насос (Q=40, H=35, n=2950, dh=1,2)
Описание
Состав: 6 листов чертежи (Сборочный чертеж насоса / Профилирование лопастей / Вал / Шнек / Колесо / Отвод), спецификация + РПЗ.
Техническая характеристика:
1. Подача Q=40 м3/час
2. Напор H=35 м
3. Частота вращения вала насоса n=2950 об/мин
4. Допускаемый кавитационный запас h=1,2 м
5. Подаваемая жидкость - холодная вода t 30 С
6. Ресурс работы Т=30000 ч
Техническая характеристика:
1. Подача Q=40 м3/час
2. Напор H=35 м
3. Частота вращения вала насоса n=2950 об/мин
4. Допускаемый кавитационный запас h=1,2 м
5. Подаваемая жидкость - холодная вода t 30 С
6. Ресурс работы Т=30000 ч


Характеристики курсовой работы
Предмет
Учебное заведение
Семестр
Программы
Теги
Просмотров
42
Размер
2,07 Mb
Список файлов
Вал (6 лист).cdw
Колесо (3 лист).cdw
Отвод (4 лист).cdw
Профилирование лопастей (2 лист).cdw
Расчетно-пояснительная записка.doc
Сборочный чертеж насоса (1 лист).cdw
Спецификация.spw
Шнек (5 лист).cdw

Спасибо за покупку! Я буду очень рад, если поставишь справедливую оценку купленному файлу