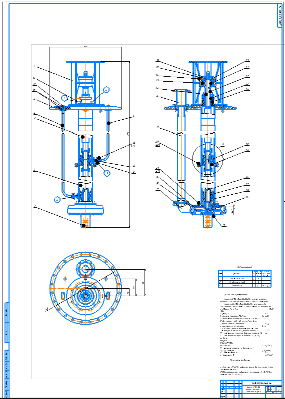
Для студентов МГТУ им. Н.Э.Баумана по предмету Лопастные гидромашиныПолупогружной центробежный насосПолупогружной центробежный насос
4,9951124
2024-04-152024-04-15СтудИзба
Курсовая работа: Полупогружной центробежный насос
Описание
Состав: 6 чертежей, РПЗ, спецификация
НВ – тип насоса – центробежный полупогружной, вертикальный;
Подача, м3/ч | 50 |
Напор, м | 50 |
Частота вращения, с-1(об/мин) | 24(1450) |
Допускаемый кавитационный запас, м | 3,00 |

Характеристики курсовой работы
Предмет
Учебное заведение
Семестр
Программы
Теги
Просмотров
16
Размер
1,29 Mb
Список файлов
НВ 50-50 модер
1 - Анализ.doc
2 - Модернизация.doc
2 - НВ А0 модерн.cdw
3 - Расчетная часть.doc
4 - Экономика.doc
4-4- Обйма.cdw
5 - БЖД.doc
7 - Колесо А2.cdw
8 - Плита.cdw
9 - Корпус спиральный.cdw
Введение.doc
Спецфикация главная.spw
Технологическая схема.cdw
литература.doc

Спасибо за покупку! Я буду очень рад, если поставишь справедливую оценку купленному файлу